This thread has been locked.

If you have a related question, please click the "Ask a related question" button in the top right corner. The newly created question will be automatically linked to this question.

[参考译文] BQ24725:BQ24725无法充电

Guru**** 2391415 points
Other Parts Discussed in Thread: BQ24725

请注意,本文内容源自机器翻译,可能存在语法或其它翻译错误,仅供参考。如需获取准确内容,请参阅链接中的英语原文或自行翻译。

https://e2e.ti.com/support/power-management-group/power-management/f/power-management-forum/903113/bq24725-bq24725-can-not-charge

器件型号:BQ24725

你(们)好

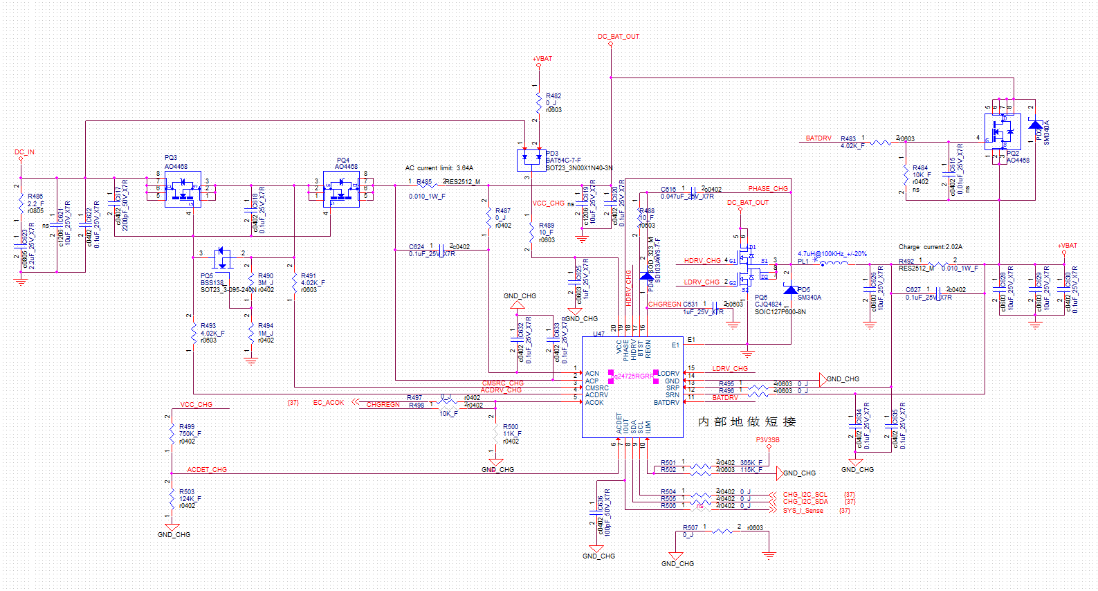
附上了原理图供您参考。

这是一个笔记本项目。 适配器输入电压24V。 它由适配器或电池单独供电、笔记本电脑工作正常。
连接适配器和电池后、笔记本电脑只能由电池供电。 适配器无法为笔记本电脑供电或为电池充电。
MOS PQ3未导通、测量外围1、600引脚的 ACDET 电压2.8V、以检测适配器。
2、20引脚 VCC 电压24V、正常;
3、16引脚 ACDRV 输出6V 电压。
现在、我们 尝试使用两 个并联0.01R 1%电阻器替换 R485 0.01R 1%。 适配器可以为电池充电并为笔记本电脑供电、但我不确定这是否可行? 为什么不使用0.01R 1%? 客户是否会在长期使用方面遇到问题?
正在等待您的回复。
谢谢你
星号
  • 请注意,本文内容源自机器翻译,可能存在语法或其它翻译错误,仅供参考。如需获取准确内容,请参阅链接中的英语原文或自行翻译。

    尊敬的 Star:

    mΩ mΩ 您用两个并联10k Ω 电阻器替换 R485、则 RAC 的等效电阻为5k Ω。 可以这样做、但由于 RAC 上的感应电压较小、因此输入电流调节精度会更差。

    为了确保我正确理解您的帖子、您是否说过:

    • mΩ 两个用于 RAC 的10 k Ω 并联电阻器、适配器能够为系统供电并成功为电池充电?

    • 仅 mΩ 一个10k Ω RAC 电阻器时、由于 PQ3和 PQ4 FET 关闭、适配器无法为系统供电或为电池充电? 但是、如果未连接电池、则适配器能够为系统供电?

    如果是、那么这种行为是不寻常的、我想进一步深入探讨。

    此致、

    Angelo

  • 请注意,本文内容源自机器翻译,可能存在语法或其它翻译错误,仅供参考。如需获取准确内容,请参阅链接中的英语原文或自行翻译。

    你(们)好,Ang

    感谢您的回复。

    10mΩ 两个用于 RAC 的 k Ω 并联电阻器,适配器可以为系统供电并成功地为电池充电;
    2.仅使用10mΩ RAC 电阻器,适配器既不能为系统供电,也不能为电池充电;如果不连接电池,适配器就可以为系统供电;

    我 想知道、为什么仅使用10mΩ Ω RAC 电阻器关闭 PQ3 FET?
    (EC 不会向 BQ24725发送充电命令、PQ3 FET 将不会关闭。 一旦发出充电命令、PQ3 FET 将立即关闭);
    PQ3关闭后、BQ24725未完全断电、无论您如何操作、PQ3 FET 都不会打开。
    有必要断开电池并重新插入 适配器、然后 PQ3 FET 将打开。
    我 想知道如何解决问题?
    谢谢
    星号
  • 请注意,本文内容源自机器翻译,可能存在语法或其它翻译错误,仅供参考。如需获取准确内容,请参阅链接中的英语原文或自行翻译。

    尊敬的 Star:

    好的、感谢您进一步解释这一点。 我还有几个问题:

    1) 1)您提到适配器电压为24V。什么是电池电压?

    2) 2) 2)您能否共享您的寄存器设置?

    [引用用户="Star Xu"]

    (EC 不会向  BQ24725发送充电命令、PQ3 FET 将不会关闭。 一旦发出充电命令、PQ3 FET 将立即关闭);

    [/报价]

    3) 3)我想确保我完全理解您的上述评论。 在主机 MCU 发送充电命令之前、PQ3和 PQ4导通、PQ2关断、对吧? 发送充电命令后、PQ3和 PQ4关闭、PQ2打开? 是否连接了电池?

    您能否发送一个显示 ACDRV、CMSRC、ACDET 和相位的波形、以便在您启用充电时查看这些信号如何响应?

    此致、

    Angelo