This thread has been locked.

If you have a related question, please click the "Ask a related question" button in the top right corner. The newly created question will be automatically linked to this question.

[参考译文] TPS61256:输出端采用 PWM 激光

Guru**** 2782445 points

Other Parts Discussed in Thread: TPS61256

请注意,本文内容源自机器翻译,可能存在语法或其它翻译错误,仅供参考。如需获取准确内容,请参阅链接中的英语原文或自行翻译。

https://e2e.ti.com/support/power-management-group/power-management/f/power-management-forum/940127/tps61256-pwm-laser-on-the-output

器件型号:TPS61256

您好!

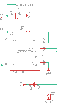
我想将 TPS61256用作5V 稳压器。 它从电池获取3.2-4.2VDC 电压、或在连接到 USB 时获取5DC 电压。 无论输入端的电压如何、我都希望输出端具有5V 电压。 该稳压器将以5V 和< 15mA 的电流驱动激光器。 我想通过在 CC2640r2上使用 I/O 引脚调制 TPS61256的输出(1KHz - 10kHz)来调节亮度并避免模式跳跃、如下面的原理图所示。 我的问题是、在本例中、我应该将 BP 接地还是连接到调制信号? 我看不到该器件的频率响应曲线、因此我想知道该器件是否需要调制。 这是适用于我的应用的正确器件吗?

感谢你的帮助。

Patrick

  • 请注意,本文内容源自机器翻译,可能存在语法或其它翻译错误,仅供参考。如需获取准确内容,请参阅链接中的英语原文或自行翻译。

    尊敬的 Patrick:

    是的、如果不需要直通功能、则应将 BP 接地。

    我不是很确定你要实现什么。 但通常升压转换器的输出电压可通过 EN 引脚信号进行调制。

    它用于为系统提供稳定的5V 电压。

  • 请注意,本文内容源自机器翻译,可能存在语法或其它翻译错误,仅供参考。如需获取准确内容,请参阅链接中的英语原文或自行翻译。

    您好、Jasper、

    感谢您的快速响应。 最后、我决定按预期使用稳压器、而不是调制其输出。 相反、我获取了5VDC 输出、并使用它直接驱动激光器。 为了调制激光器、我在激光器的低侧实现了一个 MOSFET、如下面的原理图所示。

    再次感谢、

    Patrick