This thread has been locked.

If you have a related question, please click the "Ask a related question" button in the top right corner. The newly created question will be automatically linked to this question.

[参考译文] TPS53317:输出过压保护期间的放电 FET 运行

Guru**** 2644735 points

Other Parts Discussed in Thread: TPS53317

请注意,本文内容源自机器翻译,可能存在语法或其它翻译错误,仅供参考。如需获取准确内容,请参阅链接中的英语原文或自行翻译。

https://e2e.ti.com/support/power-management-group/power-management/f/power-management-forum/761267/tps53317-discharge-fet-operation-during-output-overvoltage-protection

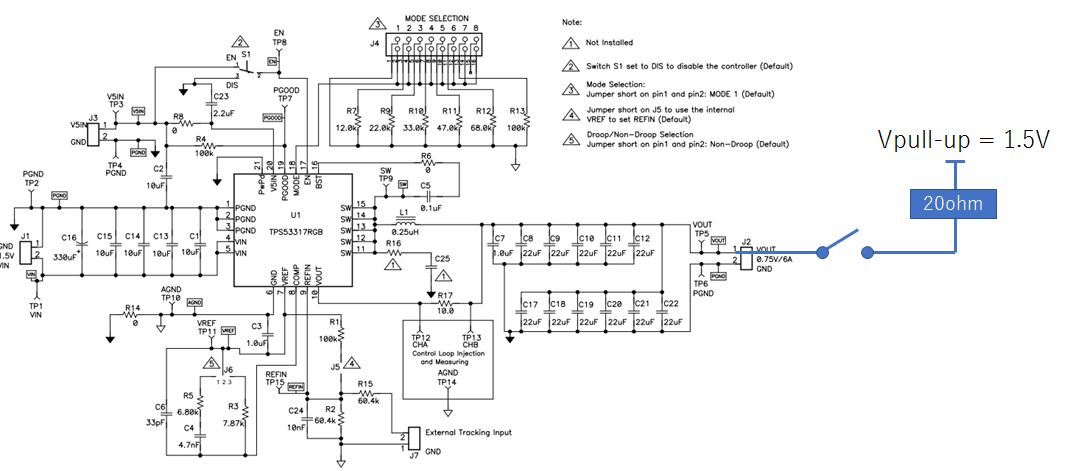
器件型号:TPS53317

您好!

请让我询问一下内部放电 FET。

我知道、当 EN 引脚禁用内部放电 FET 时、它会打开。 但我想它也在 输出过压保护期间运行。 实际上、我通过使用 EVM 执行以下过程来检查它。

  1. 通过 20欧姆连接1.5V 上拉电压以产生过压情况
  2. 然后、我可以在 连接的 SW 引脚上看到周期性低脉冲、因此我猜这是由于打开放电 FET

感谢您的善意回应、以了解 TPS53317的操作。

此致、

Satoshi

  • 请注意,本文内容源自机器翻译,可能存在语法或其它翻译错误,仅供参考。如需获取准确内容,请参阅链接中的英语原文或自行翻译。

    您好 Satoshi、

    放电 FET (42 Ω Rds-on) 仅在器件处于关断状态(EN 为低电平)时才会打开。

    发生 OVP 时、低侧 FET 导通、以快速将 Vout 拉低。

    有关更多 OVP 信息、请参阅数据表第7.3.5.3节。

    谢谢

  • 请注意,本文内容源自机器翻译,可能存在语法或其它翻译错误,仅供参考。如需获取准确内容,请参阅链接中的英语原文或自行翻译。
    您好、钱

    让我来详细了解一下 OVP 检测后的操作。 根据前面连接的波形 I、当 VOUT 达到约550mV 时、LS FET 将导通。 我猜稳压器在检测到 OVP 后继续监测 VOUT 电压、并在 VOUT 达到某个阈值时导通 LS FET。 我的理解是否正确? 那么、大约550mV 的阈值是多少?

    此致、
    Satoshi
  • 请注意,本文内容源自机器翻译,可能存在语法或其它翻译错误,仅供参考。如需获取准确内容,请参阅链接中的英语原文或自行翻译。
    您好 Satoshi、

    您的理解是正确的。 在 OVP 之后、该器件继续监控 Vout 电压、并在 Vout 达到某个阈值时导通 LS FET。
    阈值约为500mV。

    谢谢
  • 请注意,本文内容源自机器翻译,可能存在语法或其它翻译错误,仅供参考。如需获取准确内容,请参阅链接中的英语原文或自行翻译。

    您好、钱

    让我再问一个有关 OVP 行为的问题。

    在输入 Vin 之前应用预偏置的 OVP 行为。 在这种情况下、REFIN 电压为0V (GND)、但当 VOUT 达到大约1V 时、会检测到 OVP。 然后、我想知道 REFIN 未斜升时的 OVP 阈值。

    此致、

    Satoshi

  • 请注意,本文内容源自机器翻译,可能存在语法或其它翻译错误,仅供参考。如需获取准确内容,请参阅链接中的英语原文或自行翻译。
    您好 Satoshi、

    EN 是否短接至 V5IN? 如果不是、EN 何时被拉高?

    BTW、实际应用中是否存在预偏置 OV?
    如果确实如此、我建议添加泄放电阻器、以使预偏置电压低于 OV 阈值。

    谢谢
  • 请注意,本文内容源自机器翻译,可能存在语法或其它翻译错误,仅供参考。如需获取准确内容,请参阅链接中的英语原文或自行翻译。

    您好、钱

    感谢您的回答。

    EN 是否短接至 V5IN? 如果不是、EN 何时被拉高?

    [佐藤志]

    EN 短接至 V5IN。

    BTW、实际应用中是否存在预偏置 OV? 如果确实如此、我建议添加泄放电阻器、以使预偏置电压低于 OV 阈值。

    [佐藤志]

    在客户的实际应用中可能存在预偏置 OV、因此我建议按照您的建议添加泄放电阻器。 但客户需要了解在预偏置条件下启动时发生的情况。  

    此致、

    Satoshi

  • 请注意,本文内容源自机器翻译,可能存在语法或其它翻译错误,仅供参考。如需获取准确内容,请参阅链接中的英语原文或自行翻译。

    您好 Satoshi、  

    首先、请参阅数据表上的图21。

    在提供 V5IN 并建立 VREF 电压后、如果 REFIN 电压未在260us 内上升、该器件将进入跟踪启动模式。  

    在随后的8ms 启动延迟时间内、该器件将使 REFIN 上升、在此期间禁用输出 UVP 和 OVP。  在8ms 延迟时间后、该器件将启用 UVP 和 OVP。  

    在波形中、由于 REFIN 在8ms 后为0V、因此 UV 阈值(REFIN 的68%)和 OV 阈值(REFIN 的120%)几乎都为0V。 这意味着器件可以进入 UVP 或 OVP。

    在您的情况下、我相信该器件在 VIN 和 VOUT 上升之前处于 UVP 中。 一旦 VIN (VDDQ)和 VOUT 上升并且 OVP 被触发、此部件进入 OVP 锁存。  

    总之、应在实际应用中避免波形中的情况。 为了使 VTT (VOUT)在 VDDQ 启动期间使用 VIN (VDDQ)进行跟踪、VIN 应在图21中的8ms 延迟时间内上升。 否则、器件可能会在8ms 后进入 UVP 或 OVP。  

    另一种解决方案是使用 EN 引脚打开器件。 首先让 V5IN 和 VDDQ 上升、然后拉高 EN 以开启器件。  

    谢谢

  • 请注意,本文内容源自机器翻译,可能存在语法或其它翻译错误,仅供参考。如需获取准确内容,请参阅链接中的英语原文或自行翻译。

    您好、钱

    感谢您的盛情款待。 今天、我继续调查、发现在应用 REFIN 之前 OVP 未工作。 因此、我猜当 REFIN 电压介于0.6V 和2V 之间且 是有效 REFIN 电压范围时、OVP 阈值会被激活。

    此致、

    Satoshi

  • 请注意,本文内容源自机器翻译,可能存在语法或其它翻译错误,仅供参考。如需获取准确内容,请参阅链接中的英语原文或自行翻译。
    您好 Satoshi、

    正如我解释过的、当 REFIN 电压为0V 时、UV 和 OV 阈值为0V。 在这种情况下、UP 和 OV 可能无法正常工作。


    谢谢