This thread has been locked.

If you have a related question, please click the "Ask a related question" button in the top right corner. The newly created question will be automatically linked to this question.

[参考译文] PTH08T250W:PTH08T250W 的 PSpice 模型是否支持相对操作

Guru**** 2513185 points
Other Parts Discussed in Thread: TIDA-00582

请注意,本文内容源自机器翻译,可能存在语法或其它翻译错误,仅供参考。如需获取准确内容,请参阅链接中的英语原文或自行翻译。

https://e2e.ti.com/support/power-management-group/power-management/f/power-management-forum/1167659/pth08t250w-does-pspice-model-of-pth08t250w-support-parellel-operation

器件型号:PTH08T250W
主题中讨论的其他器件:TIDA-00582

您好、先生、 我想使用这个模块为我的应用生成0.8V 和100A 电流。

我想知道 PTH08T250WAD 的 pspice 模型是否支持并行模式(主从)?

  • 请注意,本文内容源自机器翻译,可能存在语法或其它翻译错误,仅供参考。如需获取准确内容,请参阅链接中的英语原文或自行翻译。

    Shubha 您好、

    共享功能在此模型中未实现。  

    谢谢!  

    Tahar

  • 请注意,本文内容源自机器翻译,可能存在语法或其它翻译错误,仅供参考。如需获取准确内容,请参阅链接中的英语原文或自行翻译。

    主席先生,谢谢你的答覆。

    您好,先生,我有基于 FPGA 的设计,其中我必须使用两个并联的 PTH08T250WAD 模块来生成0.8V/100A。

    我还想使用涡轮变速器功能。 请为此向我提供 PSpice 模型。  

  • 请注意,本文内容源自机器翻译,可能存在语法或其它翻译错误,仅供参考。如需获取准确内容,请参阅链接中的英语原文或自行翻译。

    您好、Meher、  

    您可以按原样使用模型、并将两个器件连接在一起以针对您的应用进行仿真。  

    谢谢  

    Tahar

  • 请注意,本文内容源自机器翻译,可能存在语法或其它翻译错误,仅供参考。如需获取准确内容,请参阅链接中的英语原文或自行翻译。

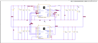
    主席先生、您好、我已经告诉过您、我实施了该原理图、但 它不起作用。

    上面的内容我分享了我在 PSpice 上构建的原理图。下面显示了错误。

    共享功能和 TurboTrans 功能也不起作用。

    请为我提供用于执行此功能的模型。

  • 请注意,本文内容源自机器翻译,可能存在语法或其它翻译错误,仅供参考。如需获取准确内容,请参阅链接中的英语原文或自行翻译。

    您好、Meher、  

    我们没有具有所有特征的完全建模模型。  

    谢谢!

    Tahar

  • 请注意,本文内容源自机器翻译,可能存在语法或其它翻译错误,仅供参考。如需获取准确内容,请参阅链接中的英语原文或自行翻译。

    您能否根据我的要求制作支持共享功能和 TurboTrans 技术的型号。

  • 请注意,本文内容源自机器翻译,可能存在语法或其它翻译错误,仅供参考。如需获取准确内容,请参阅链接中的英语原文或自行翻译。

    您好、Meher、

    我认为最快的方法是在我们的 EVM 上进行测试。  

    添加这些功能需要 从头开始重建整个模型、至少需要6个月才能实现。  

    谢谢  

    Tahar  

  • 请注意,本文内容源自机器翻译,可能存在语法或其它翻译错误,仅供参考。如需获取准确内容,请参阅链接中的英语原文或自行翻译。

    先生,您好,我在下面做了原理图。 需要使用以下电路来提供内核 FPGA 电源。

    我如何确保这在 实际电路板中正常工作。 在启动电路板之前、我必须检查此原理图的瞬态响应。

    请为我提供相同的解决方案。

  • 请注意,本文内容源自机器翻译,可能存在语法或其它翻译错误,仅供参考。如需获取准确内容,请参阅链接中的英语原文或自行翻译。

    您好、Meher、  

    我们有一个 TI 参考设计 TIDA-00582、您可以将其用作参考、其中包括 SCH、布局。 用户指南、具有 可用于您的参考的测试结果的 Gerber 文件。   

    https://www.ti.com/tool/TIDA-00582

    谢谢!  

    Tahar