大家好、
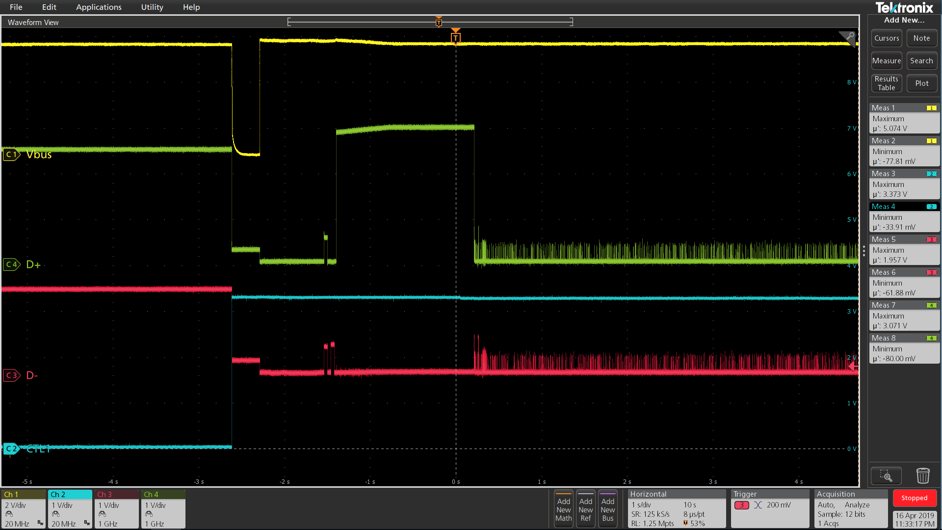
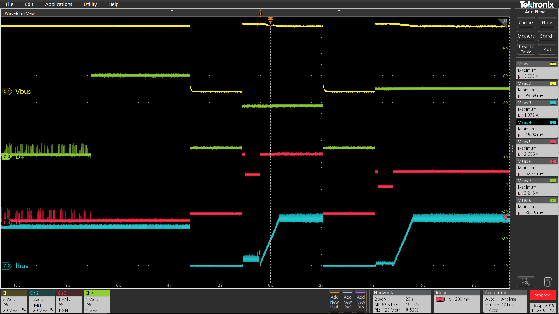
客户报告、在系统 S3和 S5模式下、他们在充电过程中看到 Vbus 放电。
已注意到、在 S3和 S5中、在 DCP/自动模式下为 TPS2547。 (和 CDP 在 S0中)。
请查看随附的原理图和波形、并帮助确认此放电是否正常?
经测试的手机容量为50%、采用 Type-A 转 Type-C 电缆的 Xiaomi6。 还需要您的帮助来解释 S3和 S5中的模式。 对我来说、这似乎不是 DCP。 您是否有相关文档可以分享给我以帮助我学习?
感谢你的帮助。
最大
S3&S5:
e2e.ti.com/.../DT_2D00_MIC2-USB3.0-Charger_2D002D00_20181208B.pdf






