This thread has been locked.

If you have a related question, please click the "Ask a related question" button in the top right corner. The newly created question will be automatically linked to this question.

[参考译文] LMR33620:LMR33620:、电压输出看起来像这样正常

Guru**** 2522770 points


请注意,本文内容源自机器翻译,可能存在语法或其它翻译错误,仅供参考。如需获取准确内容,请参阅链接中的英语原文或自行翻译。

https://e2e.ti.com/support/power-management-group/power-management/f/power-management-forum/782671/lmr33620-lmr33620-is-it-normal-for-voltage-output-to-appear-like-this

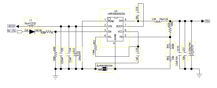
器件型号:LMR33620
Thread 中讨论的其他器件:鳄鱼

电压输出是否像这样显示是正常的

  • 请注意,本文内容源自机器翻译,可能存在语法或其它翻译错误,仅供参考。如需获取准确内容,请参阅链接中的英语原文或自行翻译。
    您好、Boer、
    否、这不是正常的输出电压波形。
    如果 EN 未上电、则 Vout 根本不应上升。 这可能是接地问题。 PGND 和 AGND 应连接在一起、铁氧体磁珠可能会干扰该连接。

    请尝试移除铁氧体磁珠、并确保 PGND 和 AGND 连接在一起。
    -奥兰多
  • 请注意,本文内容源自机器翻译,可能存在语法或其它翻译错误,仅供参考。如需获取准确内容,请参阅链接中的英语原文或自行翻译。

    好的、谢谢。 我将首先尝试;

  • 请注意,本文内容源自机器翻译,可能存在语法或其它翻译错误,仅供参考。如需获取准确内容,请参阅链接中的英语原文或自行翻译。
    测试短路 FB5、现象仍然存在;测试短路正常、但在工作一段时间后、燃烧后会出现芯片短路;希望帮助分析;
  • 请注意,本文内容源自机器翻译,可能存在语法或其它翻译错误,仅供参考。如需获取准确内容,请参阅链接中的英语原文或自行翻译。
    短路? IC 是否损坏或电容器是否熔断?
    如果您可以、请发送从 VIN 启动以及从 EN 启动时 SW 的示波器图。
  • 请注意,本文内容源自机器翻译,可能存在语法或其它翻译错误,仅供参考。如需获取准确内容,请参阅链接中的英语原文或自行翻译。

    IC 损坏;这不是带负载的短 FB5

  • 请注意,本文内容源自机器翻译,可能存在语法或其它翻译错误,仅供参考。如需获取准确内容,请参阅链接中的英语原文或自行翻译。

    带负载短接 FB5

  • 请注意,本文内容源自机器翻译,可能存在语法或其它翻译错误,仅供参考。如需获取准确内容,请参阅链接中的英语原文或自行翻译。
    感谢您提供这些波形。

    回到原理图旁边的第一个示波器屏幕截图、VOUT 是否在启用前上升?
    除非存在其他预偏置输出节点"T5V"或 IC 损坏、否则不应发生这种情况。
    不同 IC 是否会出现此问题?


    此外、数据表第21页的表2显示、在12V 至5V 范围内、降压转换器的电压为10uH、您是否能够使用该电感而不是33uH?
  • 请注意,本文内容源自机器翻译,可能存在语法或其它翻译错误,仅供参考。如需获取准确内容,请参阅链接中的英语原文或自行翻译。

    是的、这个问题发生在不同的 IC 上、大约20个采样已经被烧坏了。接下来、我将首先在不连接 EN 的情况下测试上电、以查看 VOUT 是否有输出。电感更改为10uH

  • 请注意,本文内容源自机器翻译,可能存在语法或其它翻译错误,仅供参考。如需获取准确内容,请参阅链接中的英语原文或自行翻译。

    图1显示了输出电压的交流信号;图 2和图 3是 SW 信号、可以看出 SW 上产生负压。 是否存在任何问题?请告知、需要进行哪些其他测试?可能是什么问题?目前、测量不良部件发现 VIN\SW\BOOT 短路

  • 请注意,本文内容源自机器翻译,可能存在语法或其它翻译错误,仅供参考。如需获取准确内容,请参阅链接中的英语原文或自行翻译。
    SW 应该具有负尖峰、在低侧 MOSFET 导通前、有一个体二极管到 GND 导通约2ns。

    SW 节点无法多次打开、这可能是在引导电容器放电过多时导致的。
    您的 BOOT-SW 电容器到底是什么? 它应该是一个高质量100nF X7R 电容器、并且必须放置在尽可能靠近 IC 的位置以减少 ESR。

    您是否能够使用 SW 上的 GND 进行示波器引导? (断开其他探针以避免 SW-GND 短路)。 BOOT-SW 电压应为干净的5V。 请确认。
    -奥兰多
  • 请注意,本文内容源自机器翻译,可能存在语法或其它翻译错误,仅供参考。如需获取准确内容,请参阅链接中的英语原文或自行翻译。

    图1是 BOOT-SW、图2是 SW-GND。BOOT 的电容为 Murata GRM155R71H104KE14D。目前、我将输出电感从33uH 更改为10uH;输入端子的 L1电感被消除。波形有什么问题?

  • 请注意,本文内容源自机器翻译,可能存在语法或其它翻译错误,仅供参考。如需获取准确内容,请参阅链接中的英语原文或自行翻译。
    好的、您的引导电容器很好、BOOT-SW 为5V 纯净电压、该 SW 波形看起来比另一个好得多!

    这是否修复了您的启动问题? 在达到稳压电压之前、它应该是4ms 的软启动。
    -奥兰多
  • 请注意,本文内容源自机器翻译,可能存在语法或其它翻译错误,仅供参考。如需获取准确内容,请参阅链接中的英语原文或自行翻译。

    但现在还有另一个问题。 加载时、BOOT-SW 波形如图所示、电压超过手动?中的5.5V

    此问题的原因是什么?与此相关的意外损坏?

  • 请注意,本文内容源自机器翻译,可能存在语法或其它翻译错误,仅供参考。如需获取准确内容,请参阅链接中的英语原文或自行翻译。

    最有可能是测量 Boot-SW 的方法。

    如果您使用有线鳄鱼夹将 SW 连接到探头 GND、则这是一个可拾取开关噪声的大环路。

    您是否能够使用弹簧式接地连接器进行探测?  类似的东西

    如果您可以直接在 IC 上探测、那将是一个更精确的引导软件。

  • 请注意,本文内容源自机器翻译,可能存在语法或其它翻译错误,仅供参考。如需获取准确内容,请参阅链接中的英语原文或自行翻译。
    您好、Boer、

    我们一段时间内没有听到您的声音。 我们将关闭此主题。 如果您仍遇到问题、请随意重新打开。 谢谢。