你(们)好
我的客户正在将 DCP020503U 用于热成像摄像头模块。
热像仪模块在长时间运行期间无法运行存在问题。
对其进行分析时、DCP020503U 似乎存在输出电压问题。
当快门未运行时、电流平均流约为110mA、而当快门运行时、电流平均流约为350mA 峰值。
此时、输出电压以50ns 的间隔振荡超过1V。
我们怀疑大电压移动会影响热成像摄像头模块。
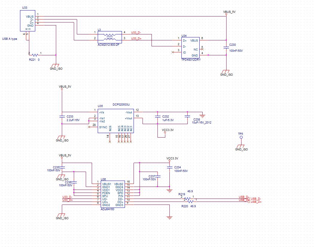
下面显示了电路图和波形。
1.上面的电路图中有问题吗?
2. DCP020503U 的输出电压为什么会移动这么多?
3.是否有解决方案可以防止 DCP020503U 的输出电压显著变化?
请帮帮我。
谢谢你。
此致。
Anthony 先生
