This thread has been locked.

If you have a related question, please click the "Ask a related question" button in the top right corner. The newly created question will be automatically linked to this question.

[参考译文] UCC24612:使用正向拓扑的示例

Guru**** 2387080 points
Other Parts Discussed in Thread: UCC24612
请注意,本文内容源自机器翻译,可能存在语法或其它翻译错误,仅供参考。如需获取准确内容,请参阅链接中的英语原文或自行翻译。

https://e2e.ti.com/support/power-management-group/power-management/f/power-management-forum/828490/ucc24612-use-example-for-forward-topology

器件型号:UCC24612

您好、E2E、

我们的客户正在考虑将 UCC24612用于新产品。 新产品是正向拓扑。 TI 是否可以展示示例电路?

此致、
ACGUY

  • 请注意,本文内容源自机器翻译,可能存在语法或其它翻译错误,仅供参考。如需获取准确内容,请参阅链接中的英语原文或自行翻译。

    您好、ACGUY、

    感谢您和您的客户对 UCC24612 SR 控制器的关注。

    此器 件(UCC24612-1版本)已被其他客户成功地用于正向模式配置、但遗憾的是、我无法提供特定的示例电路。  通常、应用采用 SR FET 来代替 降压转换器输出的常用正向和续流二极管。  这些 FET (及其控制器)放置在变压器绕组的负桥臂中、以便输出电压可以直接为控制器提供偏置。

    由于在导通周期交叉期间 FET 之间存在固有的一些击穿电流、因此最大开关频率 可能会受到您的损耗容差的限制。  通常、低于100kHz 的频率应能正常工作、但更高的频率会因击穿而产生更高的损耗。

    此致、

    Ulrich

  • 请注意,本文内容源自机器翻译,可能存在语法或其它翻译错误,仅供参考。如需获取准确内容,请参阅链接中的英语原文或自行翻译。

    您好 Ulrich、

    感谢你的答复。
    >>很遗憾、我无法提供特定的示例电路。
    我明白了、好的。 如果我要在此主题上附加简单的原理图、您会检查一下吗?

    此致、
    ACGUY

  • 请注意,本文内容源自机器翻译,可能存在语法或其它翻译错误,仅供参考。如需获取准确内容,请参阅链接中的英语原文或自行翻译。

    您好 Ulrich、

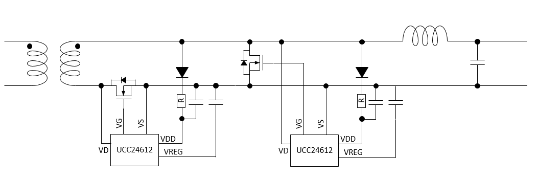
    您是否认为附加的文件电路可以在正向拓扑中正常运行?
    请提出您的意见。

    此致、
    ACGUY

  • 请注意,本文内容源自机器翻译,可能存在语法或其它翻译错误,仅供参考。如需获取准确内容,请参阅链接中的英语原文或自行翻译。

    您好、ACGUY、

    很抱歉我的回复延迟了、我离开办公室几天。

    通常、上述 SR 拓扑的偏置可以在特定情况下工作。  这些限制主要涉及最大 VDD 输入电压、建议为28V 或更低。  

    在上面显示的布置中、VDD 电容器充电至变压器绕组的高压线峰值电压。  根据匝数比、该峰值电压很可能会超过 VDD 额定值。  在某些特殊的低电压输出情况下、这将起作用、如图所示、但您很可能需要在 VDD 电容和 SR 控制器的 VDD 引脚之间添加一个线性稳压器来限制 VDD 电压。  由于它们都是由同一电源供电、因此只需一个二极管、一个主电容器和一个稳压器即可为两者供电。  (不过、每个 VDD 应该有自己的本地1uF 旁路电容。)  

    但是、如果您的输出电压已经为28V 或更低(但始终高于4V)、则可以将每个控制器的 VDD 引脚直接连接到输出。   无需二极管或串联电阻器或稳压器。  

    我建议为每个桥臂中的栅极电阻器提供位置固定器、以帮助抑制栅极驱动振铃(如果有)。  2.2欧姆可以是一个很好的占位值、并且可以根据需要进行更高或更低的更改。

    此致、
    Ulrich