This thread has been locked.

If you have a related question, please click the "Ask a related question" button in the top right corner. The newly created question will be automatically linked to this question.

[参考译文] BQ51050B:有关 NTC 热敏电阻、Ibulk、%Ibulk 和原理图的问题

Guru**** 2538930 points


请注意,本文内容源自机器翻译,可能存在语法或其它翻译错误,仅供参考。如需获取准确内容,请参阅链接中的英语原文或自行翻译。

https://e2e.ti.com/support/power-management-group/power-management/f/power-management-forum/784482/bq51050b-issues-about-ntc-thermistor-ibulk-ibulk-and-schematic

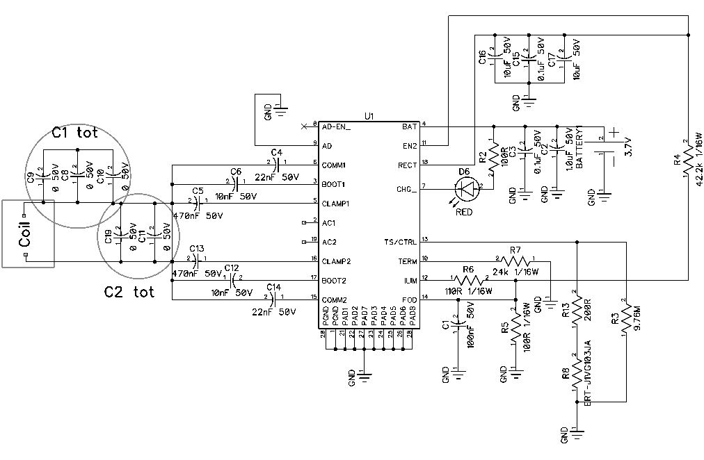
器件型号:BQ51050B

你好!

我会实现一些规格。

1.温度传感器//我想获得与图30类似的曲线(温度与 Vtsb 百分比)

R13:200R、R3:9.76MR (值来自 e2e.ti.com/support/power-management/f/196/t/665040?tisearch=e2e-sitesearch&keymatch=bq51050B)

NTC 电阻(Ro: 10K 和 3380K)与 ERT-JZEG103JA 相同  

Excel 计算器在我的计算机中不起作用

我仍然不确定如何将 NTC 热敏电阻连接到电池或电池组。

有什么建议吗?

 

Ibulk=1.5A

Ibulk - Kilim/Rilim = 314 (给定)/209

Rilim = 210

因此、R5 = 100R、R6 = 110

3.%Ibulk=100(%)

%Ibulk = Rterm / Kterm = 24000/240 (给定)= 100 (%)

因此、Rterm =24k

 4.我的原理图中的任何配置错误

C1和 C2值尚未确定、因为我仍然不确定哪个线圈最好。

您能否推荐任何适合的线圈?

谢谢阅读!

  • 请注意,本文内容源自机器翻译,可能存在语法或其它翻译错误,仅供参考。如需获取准确内容,请参阅链接中的英语原文或自行翻译。

    我忘记了交流线路

    这是最后一个

    很抱歉让你感到困惑!!

  • 请注意,本文内容源自机器翻译,可能存在语法或其它翻译错误,仅供参考。如需获取准确内容,请参阅链接中的英语原文或自行翻译。

    你(们)好

    NTC:

    "我仍然不确定如何将 NTC 热敏电阻连接到我的电池或电池组。  有什么建议?"  -- Bill J --最新原理图中的连接正确。   NTC 通常安装 在 电池单元附近的电池组中、以监控电池温度。  连接是电池连接器的一部分。  R3和 R13位于 PCB 上。  如果目标温度为0C 至60C、则 R13可以为0欧姆、R3可以开路。

    对于0C - 2.2V 或1.29V 的58.7%、TS 引脚上的值。    0C 时的 NTC 电阻需要为28k 欧姆。  请注意、2.2V 和 TS 之间的内部上拉电阻为20k。

    对于60C - 2.2V 或0.288V 的13.1%、TS 引脚上的值。  60C 时的 NTC 电阻需要为3.0k 欧姆。

    NTC ER-JZEG103JA 在0C 时为27.64k、在60C 时为3.027k。

    请注意、NTC 10k 25C 值为+/-5%、B 为+/-2%。  此外、还应考虑在0C 和60C 的器件容差范围内、2.2V 和20k 电阻器。