This thread has been locked.

If you have a related question, please click the "Ask a related question" button in the top right corner. The newly created question will be automatically linked to this question.

[参考译文] UCC28070:有关 IEC60950的问题、请将引脚4和引脚5短接

Guru**** 2541150 points
Other Parts Discussed in Thread: UCC28070

请注意,本文内容源自机器翻译,可能存在语法或其它翻译错误,仅供参考。如需获取准确内容,请参阅链接中的英语原文或自行翻译。

https://e2e.ti.com/support/power-management-group/power-management/f/power-management-forum/780136/ucc28070-question-about-to-meet-iec60950-to-short-pin-4-and-pin-5

器件型号:UCC28070

您好、先生、

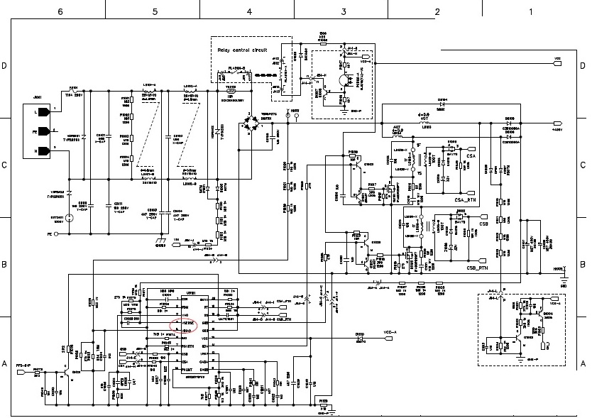
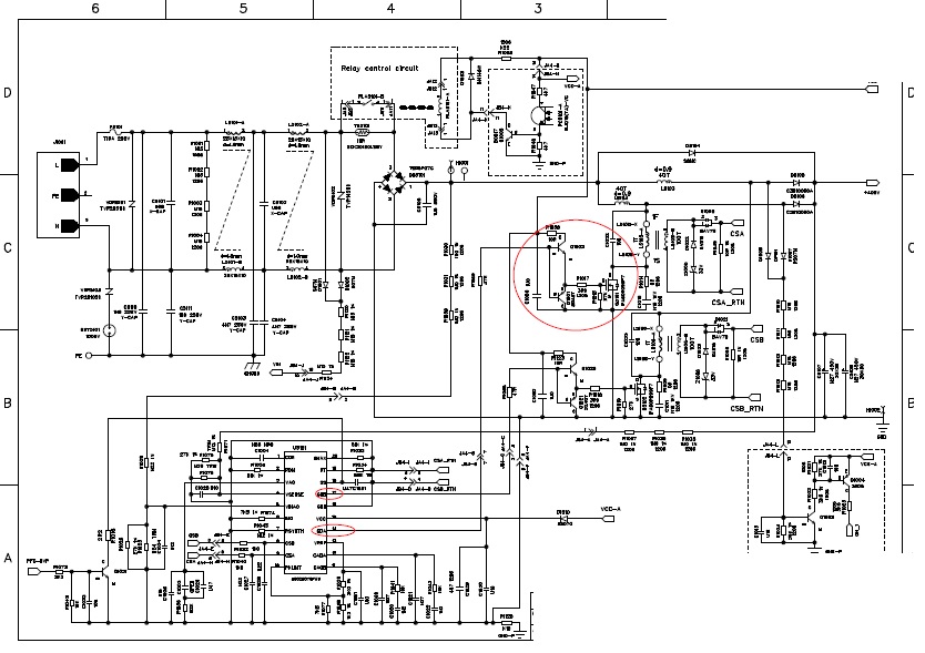
   有一个问题需要您的帮助。 客户告知我、为了满足 IEC60950要求、有一项测试要求 UCC28070的引脚4和引脚5需要短接并且不会损坏。 现在,当它们短接在一起时,输出电容器、mos 和保险丝都会损坏。 您是否有防止这种损坏的建议?  

  • 请注意,本文内容源自机器翻译,可能存在语法或其它翻译错误,仅供参考。如需获取准确内容,请参阅链接中的英语原文或自行翻译。
    尊敬的 KJ Liu:
    UCC28070数据表建议 VINAC 和 VSENSE 输入上的电阻分压器的值相同。
    实际电阻器不需要相同、但建议使用该比率
    k = R1/(R1+R2)应该相同。
    通过仔细选择这些电阻器的值、可以为 VINAC 和 VSENSE 上的较低电阻器选择不同的值。
    这意味着、如果与 VINAC 相关的下电阻器比与 VSENSE 相关的下电阻器大得多、则引脚4到5的短路不会导致过压情况并损坏电源。 结果将是输出电压的轻微受控上升。

    此致
    John
  • 请注意,本文内容源自机器翻译,可能存在语法或其它翻译错误,仅供参考。如需获取准确内容,请参阅链接中的英语原文或自行翻译。

    尊敬的 John:

    感谢您的回答、还有一个问题、如果一个侧驱动器在正常工作时突然不工作为红色、那么另一个侧仍然工作还是进入保护模式?  

  • 请注意,本文内容源自机器翻译,可能存在语法或其它翻译错误,仅供参考。如需获取准确内容,请参阅链接中的英语原文或自行翻译。
    尊敬的 KJ Liu:
    如果一个相位停止切换,另一个相位将继续切换。
    UCC28070没有任何单相保护特性。
    此致
    John
  • 请注意,本文内容源自机器翻译,可能存在语法或其它翻译错误,仅供参考。如需获取准确内容,请参阅链接中的英语原文或自行翻译。

    您好、先生、

    是保护它吗? 短接至 D5106时,温度最高可达200 C ,高压时将损坏。 如果要在宽电压下使用,如何保护它?

  • 请注意,本文内容源自机器翻译,可能存在语法或其它翻译错误,仅供参考。如需获取准确内容,请参阅链接中的英语原文或自行翻译。
    你(们)好
    此问题与您的初始问题无关。
    如果您有其他问题、请关闭此主题并打开新帖子。
    此致
    John