This thread has been locked.

If you have a related question, please click the "Ask a related question" button in the top right corner. The newly created question will be automatically linked to this question.

[参考译文] EV2400:USB 连接

Guru**** 2479635 points
Other Parts Discussed in Thread: EV2400

请注意,本文内容源自机器翻译,可能存在语法或其它翻译错误,仅供参考。如需获取准确内容,请参阅链接中的英语原文或自行翻译。

https://e2e.ti.com/support/power-management-group/power-management/f/power-management-forum/848631/ev2400-the-usb-connection

器件型号:EV2400

你(们)好

如果我想通过 USB 将 EV2400与其他处理器/MCU 连接、是否有任何步骤?我可以简单地在它们之间连接 USB 吗?

Rgds

Nazri

  • 请注意,本文内容源自机器翻译,可能存在语法或其它翻译错误,仅供参考。如需获取准确内容,请参阅链接中的英语原文或自行翻译。

    您好、Nazri、

     ev2400设计用于仅与计算机和 TI 监测计/充电器配合使用 、而不是与外部 uC 配合使用

    谢谢

    Onyx

  • 请注意,本文内容源自机器翻译,可能存在语法或其它翻译错误,仅供参考。如需获取准确内容,请参阅链接中的英语原文或自行翻译。

    你好、Onyx

    是否有任何可与外部处理器/MCU 通信的接口模块(与 EV2400等效)?

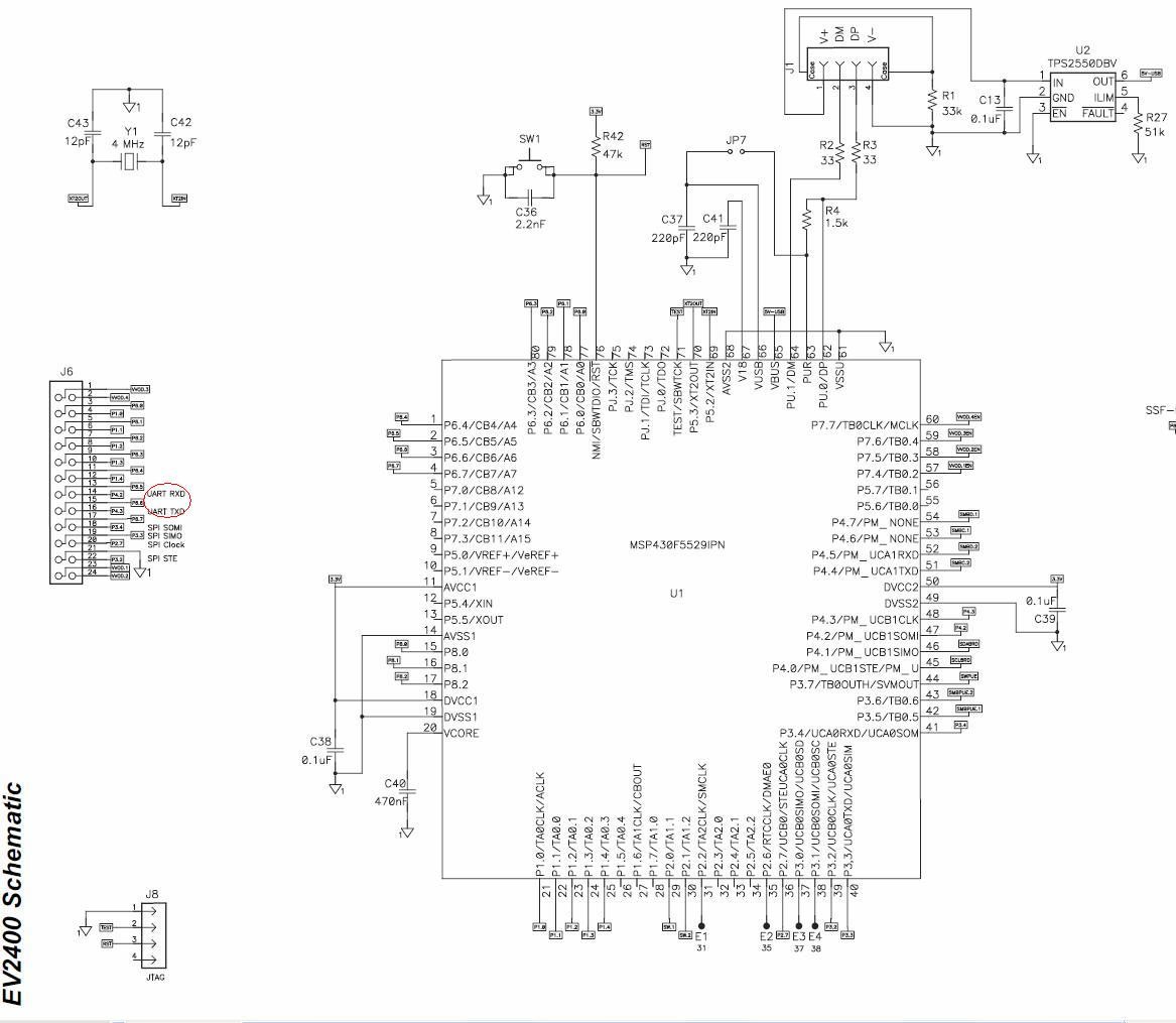
    始终从 EV2400原理图中、根据所附文件、我在 J6连接器处找到 UART 连接。这是什么用途?它能否与其他处理器通信?

    Rgds

    Nazri

  • 请注意,本文内容源自机器翻译,可能存在语法或其它翻译错误,仅供参考。如需获取准确内容,请参阅链接中的英语原文或自行翻译。

    您好、Nazri、

    请查看另一个主题。 我将关闭这个。