This thread has been locked.

If you have a related question, please click the "Ask a related question" button in the top right corner. The newly created question will be automatically linked to this question.

[参考译文] BQ76940:BQ76940:电池电压问题

Guru**** 2516500 points
Other Parts Discussed in Thread: BQ76940, BQ76930

请注意,本文内容源自机器翻译,可能存在语法或其它翻译错误,仅供参考。如需获取准确内容,请参阅链接中的英语原文或自行翻译。

https://e2e.ti.com/support/power-management-group/power-management/f/power-management-forum/1181284/bq76940-bq76940-problem-of-cell-voltage

器件型号:BQ76940
主题中讨论的其他器件: BQ76930

大家好、

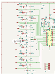
我正在关注 BMS 项目、使用2个 BQ76940级联来监控20个电芯引脚。 我成功读取电池电压。 但我意识到、每个 IC 的第一个电池的电压始终会随着我所附的图片降低其他电池的电压。  这个问题吗?
P/s:我遵循 TI 的参考设计: https://www.ti.com/lit/df/tidrnc5/tidrnc5.pdf?ts=1671433323016
谢谢、


  • 请注意,本文内容源自机器翻译,可能存在语法或其它翻译错误,仅供参考。如需获取准确内容,请参阅链接中的英语原文或自行翻译。

    您好、Bao、

    您能否分享您的原理图、以便我确认一切正常? 您使用的是 BQ76940还是 BQ76930?

    如何比较电池电压测量值与万用表读数?

    此致、

    Luis Hernandez Salomon

  • 请注意,本文内容源自机器翻译,可能存在语法或其它翻译错误,仅供参考。如需获取准确内容,请参阅链接中的英语原文或自行翻译。

    您好、Luis、

    感谢您的回复。 我使用的是 BQ76940。 我比较了万用表。 万用表显示3.67V、我从 IC 读取的电压仅为3.59V。 请帮助我检查一下我在 Kicad 的保时捷。

    谢谢、

  • 请注意,本文内容源自机器翻译,可能存在语法或其它翻译错误,仅供参考。如需获取准确内容,请参阅链接中的英语原文或自行翻译。

    您好、Luis、

    很抱歉、我的错。 持续电池而非第一个电池(电池10和电池20)。

  • 请注意,本文内容源自机器翻译,可能存在语法或其它翻译错误,仅供参考。如需获取准确内容,请参阅链接中的英语原文或自行翻译。

    您好、Bao、  

    您可以分享原理图的 PDF 吗? 这会更容易看到。 需要注意  的是、我们已经看到、在电池平衡期间、0.22uF 在电池输入端的工作效果更好、从而提高电池精度。 我乍一看不到原理图中的任何内容。 您是否曾尝试使用新 IC 来查看测量不准确性是否被复制?

    您能否还指出 您的原理图和参考设计之间的区别是什么? 以便更轻松地进行审阅。

    此致、

    Luis Hernandez Salomon

  • 请注意,本文内容源自机器翻译,可能存在语法或其它翻译错误,仅供参考。如需获取准确内容,请参阅链接中的英语原文或自行翻译。

    您好、Luis、
    感谢您的建议。 我修复了错误。 我连接了错误的电芯10和电芯20导线。  
    谢谢、

  • 请注意,本文内容源自机器翻译,可能存在语法或其它翻译错误,仅供参考。如需获取准确内容,请参阅链接中的英语原文或自行翻译。

    您好、Luis、
    我可以同时充电和放电吗?

  • 请注意,本文内容源自机器翻译,可能存在语法或其它翻译错误,仅供参考。如需获取准确内容,请参阅链接中的英语原文或自行翻译。

    您好、Bao、

    我很高兴听到错误修复了!

    您的问题的简短答案是肯定的、您可以同时充电/放电。

    充电/放电只有一条路径、通常在连接充电器的情况下、充电器将是为负载供电的器件、如果电流足够、则同时为电池充电。 如果充电电流不足以单独为负载供电、则电池将提供一些电流。

    此致、

    Luis Hernandez Salomon

  • 请注意,本文内容源自机器翻译,可能存在语法或其它翻译错误,仅供参考。如需获取准确内容,请参阅链接中的英语原文或自行翻译。

    您好、Luis、

    非常感谢。 但我有一个新问题。 BQ76940的 OCD 保护无法正常工作。
    -我使用的是2m Ω 电阻器、并且我配置值为0x50的 PROTECT2寄存器(延迟320ms、阈值为8mV)
    -我施加的电流负载为4A、我读取的库仑计数器为10.4mV、但 OCD 不工作。
    -我检查了 PROTECT1和 PROTECT3的值,但没有任何问题。
    请帮帮我。
    谢谢。

  • 请注意,本文内容源自机器翻译,可能存在语法或其它翻译错误,仅供参考。如需获取准确内容,请参阅链接中的英语原文或自行翻译。

    您好、Bao、

    您能否分享您的原理图以便我进行审阅?  

    您能否分享您看到的所有 PROTECT1/2/3的值?

    此致、

    Luis Hernandez Salomon

  • 请注意,本文内容源自机器翻译,可能存在语法或其它翻译错误,仅供参考。如需获取准确内容,请参阅链接中的英语原文或自行翻译。
    [已删除]
  • 请注意,本文内容源自机器翻译,可能存在语法或其它翻译错误,仅供参考。如需获取准确内容,请参阅链接中的英语原文或自行翻译。

    尊敬的 Bao:

    遗憾的是 、我们的所有工程师都将外出度假。   我们对此表示歉意、我们将在假期结束后再次与您进行讨论!

    最棒的

    Andria

  • 请注意,本文内容源自机器翻译,可能存在语法或其它翻译错误,仅供参考。如需获取准确内容,请参阅链接中的英语原文或自行翻译。

    您好、Bao、

    您的原理图对我来说看起来可以、乍一看。 Protection1/2/3对我来说也很好。

    查看您的原理图、我看到八个2m Ω 电阻器并联、等效电阻为0.25m Ω。 施加4A 负载电流时、感测电阻两端的电压将为~1mV。 这将太低、无法触发任何保护。  

    不过、我假设您在此测试期间使用的感应电阻器较少、因为您提到的感应电阻器上的电压为10mV。

    您必须记住、OCD 保护检测将具有偏移和容差:

    仅在8mV 阈值和偏移条件下、阈值可能为10.5mV。 如果我们考虑10%的容差、则可能会在11.3mV 时触发。 您可能需要使用更高的放电电流进行测试、以查看是否会触发保护。

    此致、

    Luis Hernandez Salomon