This thread has been locked.

If you have a related question, please click the "Ask a related question" button in the top right corner. The newly created question will be automatically linked to this question.

[参考译文] BQ40Z50-R2:澄清问题

Guru**** 2538955 points
Other Parts Discussed in Thread: BQ40Z50-R2, BQ40Z50, BQ24715

请注意,本文内容源自机器翻译,可能存在语法或其它翻译错误,仅供参考。如需获取准确内容,请参阅链接中的英语原文或自行翻译。

https://e2e.ti.com/support/power-management-group/power-management/f/power-management-forum/934329/bq40z50-r2-clarification-questions

器件型号:BQ40Z50-R2
主题中讨论的其他器件: BQ40Z50BQ24715

大家好、我对这个器件有几个问题。

1) 1)尽管提到了充电曲线、但看起来并不像内置直流/直流充电器。 我是否需要在电池组输入端添加外部充电 IC?

2) 2)有人提到使用10k 热敏电阻、但我看不到任何与所需的 Beta 值相关的东西等 对此是否有任何澄清?

3)  3)几个并联的电池组、每个都安装 了 BQ40Z50-R2、我假设在同一总线上使用多个通信设备不会出现任何问题?

4) 4)最后、在参考设计中有一个外部过压保护 IC、当器件已经具有过压保护时、是否有任何原因?

我已经阅读了数据表、但可能错过了这个。

提前感谢您的任何帮助。

  • 请注意,本文内容源自机器翻译,可能存在语法或其它翻译错误,仅供参考。如需获取准确内容,请参阅链接中的英语原文或自行翻译。

    您好、Pieter

        1:监测计内部不包含充电器、充电曲线仅用于通知主机特定条件下所需的适当充电电压和充电电流

        2:有关热敏电阻的规格、您可以在 BQ40Z50EVM 用户指南的 BOM 中找到该规格。

        3:多个相同的 bq40z50器件不能在同一总线上挂起、因为它们具有相同的 I2C 地址

         4:外部过压保护旨在增强电池的安全性。 由于过压可能导致火灾或爆炸等极端条件、因此需要加强安全机制。

  • 请注意,本文内容源自机器翻译,可能存在语法或其它翻译错误,仅供参考。如需获取准确内容,请参阅链接中的英语原文或自行翻译。

    您好 Steven、

    感谢你的答复。

    1) 1)我选择了一个与此器件集成的充电器。 我的理解是、我需要 SMBus 上的 MCU 从 bq40z50接收所需的充电曲线并将其发送到充电器(BQ24715)。 由于寻址、这些器件无法直接相互通信、

    2) 2)从数据表中可以看出、在正常模式下、bq40z50从 PACK 或次级 Vcc 汲取的最大电流为336uA。 是这样吗?

    3)关于电池平衡电路的问题。 使用内部电池平衡器、可以说可以为每个电池旁路10mA。 我假设 RC 连接中的电阻器等于100欧姆时会发生这种情况?

    4) 4)关断和系统存在引脚连接到同一节点。 这有点令人困惑、因为它似乎关断了器件、需要按下一个按钮、将引脚下拉至接地。 对于系统存在、它对该引脚进行采样以查看该引脚是否处于低于0.55V 的低电平。 PRS 引脚提供高达20uA 的电流、因此需要选择电阻器、以确保 PRS 引脚上的电压小于0.55V、并使该20uA 电流流过该引脚。 按下关断按钮并使 PRS 引脚上的电压降至0V 是否足以通知器件您希望器件关断? 感觉好像只是假设系统存在、因为引脚上的电压仍然小于0.55V、或者它是否拾取脉冲?

    5) 5)电流感应电阻器选择似乎相当混乱。 在数据表中的设计示例中、他们说最好选择1到3毫欧之间的值。 在设计规格中、它们选择了6000和-6000mA 的过流值。 选择感应电阻器作为1毫欧姆。  

    查看声码中的最小跳闸值时、它表示8.3mV 的最小值 。

    对我来说、这意味着最小过流跳闸电流将为8.3mV/1mil = 8.3A。  

    我是否缺少比例因子或其他因素?

    6) 6)关于热敏电阻、您曾提到我应该查看热敏电阻的 BOM。 我假设我应该将 BOM 中的热敏电阻用于锂离子应用、不应该对此进行更深入的研究?

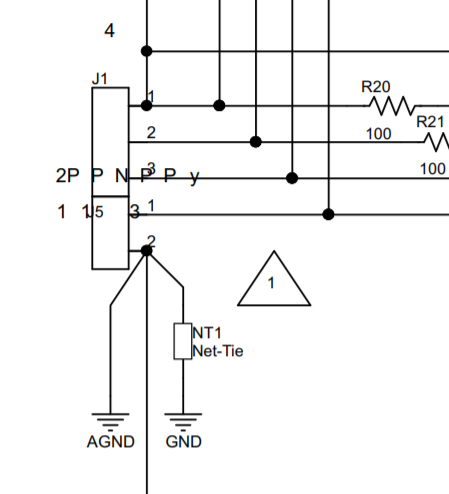
    7) 7)我可以看到设计中存在一些不同的接地。 我并不完全确定原因是什么、尽管我确实看到了电池组最负的连接中的星型连接。 这似乎所有的接地都是连在一起的。 是这样吗? 什么是 NT1 (Net-tie) Designator?  

    8) 8) smbus 在每条线路上设计一个100欧姆的串联电阻器、我假设这只是用于端接、尽管该总线不需要上拉? 我读出有内部下拉、但没有看到上拉。

    9)最后、您是否有可在 Altium 中使用的此器件封装?

    感谢 Steven 的所有帮助

  • 请注意,本文内容源自机器翻译,可能存在语法或其它翻译错误,仅供参考。如需获取准确内容,请参阅链接中的英语原文或自行翻译。

    您好、Pieter

       以下是您的问题的答案:

        问题1:

         尽管这些器  件具有地址、但相同类型的器件具有相同的地址、因此如果没有专为 I2C 总线多路复用设计的特殊电路、则不能同时使用多个相同的监测计器件。

         每个器件都具有唯一的地址、因此它们可以在系统中一起使用、 但仍需要随时分配唯一的主机器件以避免总线冲突、通常、虽然可以 将监测计配置为向充电器或主机广播消息、但将监测计配置为在固定从模式下工作更安全。

         问题2:

         监测计不会从电池组消耗电流、而是从 Vcc 或 Bat 引脚消耗电流、有关详细信息、请参阅数据表中的第7.6节。

         问题3:

         是的、10mA 是典型值、假设输入引脚上的电阻器等于100欧姆

         问题4:

          该引脚只能用于一种用途、即关断控制或系统存在检测、对于这两种选项中的任何一种、内部上拉电流均为20uA。

          问题5:

           您引用的2个表适用于不同类型的过流保护、第一个表定义了由固件管理的过流保护、通常 触发此类 保护的级别相对较低、并且操作的延迟时间以秒为单位进行配置。 第二个表定义了由 AFE 控制的过流保护、这是一种纯硬件控制的保护、与使用我们的器件进行的由 FW 控制的过流保护相比、它的操作更迅速、并且在触发保护的延时时间方面更精确。 触发此类保护的级别是可配置的、通常高于 FW 过流保护管理级别。 有关这两种过流保护类型的详细信息、请参阅 TRM。

          问题6:

           如果您在参考设计的 BOM 中使用热敏电阻、则需要进一步了解、您可以使用不同类型的热敏电阻、但请联系本地 TI 支持以微调 DataFlash 中的校准参数。

          问题7:

           AGND 用于热熔丝保护电路、当热熔丝保护被触发时、流经参考设计中 Q5的电流相当高、如果 FET 的源极引脚未被适当连接、这可能会在 GND 走线上引起不必要的压降。

          问题8:

           SMBus 的上拉电阻通常位于主机侧

           问题9:

           有关封装图的信息、请参阅具有以下链接的文档: