请注意,本文内容源自机器翻译,可能存在语法或其它翻译错误,仅供参考。如需获取准确内容,请参阅链接中的英语原文或自行翻译。
器件型号:TPS2378 主题中讨论的其他器件:TPS54361、
您好!
这个项目非常重要。
请帮助我们进行浪涌保护。
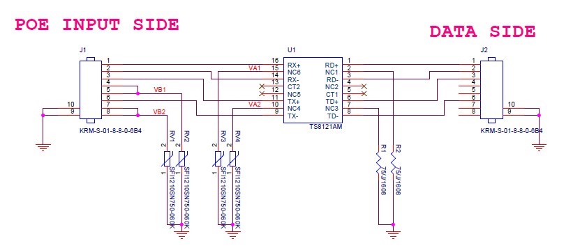
此应用是 PoE 板。
当我们对 PoE 板执行浪涌测试时、只有 TPS2378、TPS54361、TVS2 (SMBJ58CA)器件是裸片。
因此、我想获得一些指南来保护我们的器件免受浪涌的影响。
下面是浪涌测试条件。
-。 波形自:10/700us
-。 阻抗:40欧姆
-。 COULPING:不适用
-。 返回:不适用
-。 触发器:异步
-。 测试模式:共模/差模
-。 测试电压:±1 - 4kV (公共)/±1 - 2kV (差分)
下面是原理图。
此致、
Michael


