This thread has been locked.

If you have a related question, please click the "Ask a related question" button in the top right corner. The newly created question will be automatically linked to this question.

[参考译文] BQ77207:使用 BQ77207驱动保险丝

Guru**** 2386620 points
Other Parts Discussed in Thread: BQ77207
请注意,本文内容源自机器翻译,可能存在语法或其它翻译错误,仅供参考。如需获取准确内容,请参阅链接中的英语原文或自行翻译。

https://e2e.ti.com/support/power-management-group/power-management/f/power-management-forum/1231069/bq77207-use-bq77207-drive-the-fuse

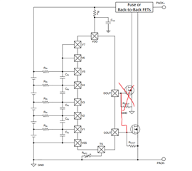
器件型号:BQ77207

你(们)好。

我想使用 BQ77207来控制三端保险丝、我可以如图?中所示连接它吗

谢谢!

简森

  • 请注意,本文内容源自机器翻译,可能存在语法或其它翻译错误,仅供参考。如需获取准确内容,请参阅链接中的英语原文或自行翻译。

    你好、简森、  

    将两个输出连接在一起时、必须仔细考虑。  

    通过这种方式连接、您希望看到的预期行为是什么? 根据您想要实现的目标、您可能需要实现某种类型的逻辑门来处理每个可能的状态以及何时希望保险丝熔断。  

    此致!  

    -Luis Torres