This thread has been locked.

If you have a related question, please click the "Ask a related question" button in the top right corner. The newly created question will be automatically linked to this question.

[参考译文] BQ79616:bq79616 COMH 或 COML 处于断开状态、无应答。

Guru**** 2587365 points
Other Parts Discussed in Thread: BQ79616

请注意,本文内容源自机器翻译,可能存在语法或其它翻译错误,仅供参考。如需获取准确内容,请参阅链接中的英语原文或自行翻译。

https://e2e.ti.com/support/power-management-group/power-management/f/power-management-forum/1311331/bq79616-bq79616-comh-or-coml-is-disconnected-no-reply

器件型号:BQ79616

您好

我有疑问需要您的帮助。

在断开 COMH 或 COML 连接后读取数据时没有响应。 此时、在断开连接之前读取数据时没有响应。

SPI-RDY 始终为低电平、仅发送 Comm Clear 命令时变为高电平、但在读取数据时再次拉至低电平。

如何解决该问题?

谢谢

星形

  • 请注意,本文内容源自机器翻译,可能存在语法或其它翻译错误,仅供参考。如需获取准确内容,请参阅链接中的英语原文或自行翻译。

    尊敬的明星:  

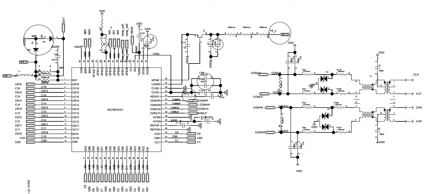
    您能否分享原理图的 BQ79616部分?  

    此致、  

    阿雷利斯·格雷罗  

  • 请注意,本文内容源自机器翻译,可能存在语法或其它翻译错误,仅供参考。如需获取准确内容,请参阅链接中的英语原文或自行翻译。

    您好, Arelis G. Guerrero  

    感谢您的答复。

    附上了器件原理图以供参考。

    谢谢

    星形

  • 请注意,本文内容源自机器翻译,可能存在语法或其它翻译错误,仅供参考。如需获取准确内容,请参阅链接中的英语原文或自行翻译。

    您好  

    任何更新?

    谢谢

    星形

  • 请注意,本文内容源自机器翻译,可能存在语法或其它翻译错误,仅供参考。如需获取准确内容,请参阅链接中的英语原文或自行翻译。

    您好!

    发生这种情况的原因有很多。 下面是一些问题、让我们快速入门吧。  

    1.您想在这里使用哪种通信方式?  您是将该器件用作堆栈器件还是用作基础器件? 您能用方框图还是更详细地描述整个系统吗?

    616没有 SPI_RDY、您是否在系统中讨论600的 SPI_RDY?  

    3.如何断开 COMH/COML?  

    4.从原理图中可以看出、您是同时使用变压器和扼流圈进行隔离吗? 如果我的理解正确、为什么?

    谢谢。

    南锡