This thread has been locked.

If you have a related question, please click the "Ask a related question" button in the top right corner. The newly created question will be automatically linked to this question.

[参考译文] BQ76952:为什么 REG1输出异常

Guru**** 2465480 points


请注意,本文内容源自机器翻译,可能存在语法或其它翻译错误,仅供参考。如需获取准确内容,请参阅链接中的英语原文或自行翻译。

https://e2e.ti.com/support/power-management-group/power-management/f/power-management-forum/1312797/bq76952-why-reg1-output-get-abnomal

器件型号:BQ76952

尊敬的专家

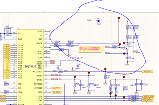
我们使用 BQ7695202版本,并使用 REG1电源隔离 I2C 上拉,但如果我们启动, REG1输出会变低,如下所示,你能给我们一些建议吗?

  • 请注意,本文内容源自机器翻译,可能存在语法或其它翻译错误,仅供参考。如需获取准确内容,请参阅链接中的英语原文或自行翻译。

    您好、Gabriel:

    这看起来 REG1输出达到了其最大电流输出。 发生这种情况时、电压降至0V。 检查流出器件的电流。

    此致、

    路易斯·埃尔南德斯·萨洛蒙

  • 请注意,本文内容源自机器翻译,可能存在语法或其它翻译错误,仅供参考。如需获取准确内容,请参阅链接中的英语原文或自行翻译。

    尊敬的专家

    您能否提供952与 BQPL455类似的 LDO 部分关系的计算公式。

  • 请注意,本文内容源自机器翻译,可能存在语法或其它翻译错误,仅供参考。如需获取准确内容,请参阅链接中的英语原文或自行翻译。

    您好、Gabriel:

    没有相应的公式。 PL455是一种完全不同的器件、采用不同的架构。  

    REGIN 用于为内部 LDO 供电。 数据表中介绍了不同负载下的电流限制和 LDO 行为。

    此致、

    路易斯·埃尔南德斯·萨洛蒙