This thread has been locked.

If you have a related question, please click the "Ask a related question" button in the top right corner. The newly created question will be automatically linked to this question.

[参考译文] BQ25570:BQ25570模块的降压转换器具有低输出电压

Guru**** 2387830 points
Other Parts Discussed in Thread: BQ25570
请注意,本文内容源自机器翻译,可能存在语法或其它翻译错误,仅供参考。如需获取准确内容,请参阅链接中的英语原文或自行翻译。

https://e2e.ti.com/support/power-management-group/power-management/f/power-management-forum/1308521/bq25570-bq25570-module-buck-converter-has-low-output-voltage

器件型号:BQ25570

尊敬的论坛:  

我使用的是 BQ25570能量收集装置模块。 我被告知当没有通过 VIN_DC 引脚提供输入时、连接的电池可以接管并为降压侧负载供电。 然而、我在 VOUT 引脚上只收到几乎不存在的1mV 电压(使用万用表进行了测试)。


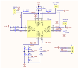
这是我所做的事情(以下模块的图像)


1) 1)将3.7V 锂离子电池连接到 VBAT 引脚

2) 2)将 VOUT_EN (V_EN)引脚短接至 VBAT_OK (V_OK)

3) 3)将 EN'短接至 GND



电路板将一个0.22F 超级电容器连接到 VOUT。 我看到的只是超级电容器从1mV 开始、然后缓慢下降至0V。 似乎 VOUT 根本没有触发。 原理图如下所示。  



我确定电池已充满电!

我感谢论坛上的任何指示。 谢谢!

  • 请注意,本文内容源自机器翻译,可能存在语法或其它翻译错误,仅供参考。如需获取准确内容,请参阅链接中的英语原文或自行翻译。

    您好!

    请允许我留出时间来验证原理图。

    您刚才是否可以一起分享在 VOUT 为低电平时测量的 VSTOR 电压和 VBAT 电压? 此外、VOUT 上是否存在负载、如果是、预计将从中拉出多少电流?

    此致、

    胡安·奥斯皮纳

  • 请注意,本文内容源自机器翻译,可能存在语法或其它翻译错误,仅供参考。如需获取准确内容,请参阅链接中的英语原文或自行翻译。

    您好、Juan:  

    当 VOUT 较低时、我的读数得到 VSTOR = 0.730V、而 VBAT = 3.8V (使用手持万用表测量)  
    目前、没有任何设备连接到 VOUT、但我希望系统负载消耗的电流小于3mA。  

    顺便说一下、0.22F 超级电容器连接到 VSTOR、而不是 VOUT、我的缺点。  

    VOUT 电容器为22uF

  • 请注意,本文内容源自机器翻译,可能存在语法或其它翻译错误,仅供参考。如需获取准确内容,请参阅链接中的英语原文或自行翻译。

    您好!

    VBAT 似乎没有为 VSTOR 供电。 您的/EN 引脚的状态是什么?

    此致、

    胡安·奥斯皮纳

  • 请注意,本文内容源自机器翻译,可能存在语法或其它翻译错误,仅供参考。如需获取准确内容,请参阅链接中的英语原文或自行翻译。

    I 短接/EN 至 板载 GND 引脚

  • 请注意,本文内容源自机器翻译,可能存在语法或其它翻译错误,仅供参考。如需获取准确内容,请参阅链接中的英语原文或自行翻译。

    您好、Juan:  

    我尝试将/EN 引脚连接到电池 GND、VSTOR 电压增加到了1.242V、但仍然低于3.8V。  

  • 请注意,本文内容源自机器翻译,可能存在语法或其它翻译错误,仅供参考。如需获取准确内容,请参阅链接中的英语原文或自行翻译。

    更新:当我通过 VIN_DC 提供一个输入然后将其移除时、只有这时降压转换器才会触发输出。

  • 请注意,本文内容源自机器翻译,可能存在语法或其它翻译错误,仅供参考。如需获取准确内容,请参阅链接中的英语原文或自行翻译。

    您好!

    感谢您的更新。 请允许我在实验室中测试我的设置并比较这些行为。 如果明天不是很早的话,我应该能够在今天晚些时候作出答复。

    此致、

    胡安·奥斯皮纳

  • 请注意,本文内容源自机器翻译,可能存在语法或其它翻译错误,仅供参考。如需获取准确内容,请参阅链接中的英语原文或自行翻译。

    尊敬的 Yong Hui Liew:

    在将电池施加在3.8V 电压并且/EN 引脚短接地的情况下、您应该在 VSTOR 处获得3.8V 电压、这应该足以触发降压转换器输出。

    您的电池是否有任何电流限制? 您使用的电池尺寸是多少? 此外、您是否有负载连接到 VSTOR 或 OUT 引脚?

    此致、

    胡安·奥斯皮纳

  • 请注意,本文内容源自机器翻译,可能存在语法或其它翻译错误,仅供参考。如需获取准确内容,请参阅链接中的英语原文或自行翻译。

    您好、Juan、对于回复延迟表示歉意。

    我使用的是单节 Panasonic NCR18650B 电池。 VSTOR 或 OUT 引脚无负载、仅插入电池。  

    VSTOR 充电似乎非常慢、我看到它每2秒增加1mV。 我应该将 VSTOR 处的超级电容器改为4.7uF 吗? 可能充电速度更快。

  • 请注意,本文内容源自机器翻译,可能存在语法或其它翻译错误,仅供参考。如需获取准确内容,请参阅链接中的英语原文或自行翻译。

    尊敬的 Yong Hui Liew:

    抱歉、我没有看到您在 VSTOR 上提到0.22F 超级电容器的地方。 通常、超级电容器等储能元件会连接到 VBAT 元件。 VSTOR 的值应更接近4.7uF。

    此致、

    胡安·奥斯皮纳

  • 请注意,本文内容源自机器翻译,可能存在语法或其它翻译错误,仅供参考。如需获取准确内容,请参阅链接中的英语原文或自行翻译。

    啊,为混乱道歉。 非常感谢、我今天将替换它、然后返回给您!  

    再次感谢!

  • 请注意,本文内容源自机器翻译,可能存在语法或其它翻译错误,仅供参考。如需获取准确内容,请参阅链接中的英语原文或自行翻译。

    您好、Juan:  

    VSTOR 现在正常充电和放电、现在我可以看到降压输出。 非常感谢您的指导、非常感谢!  

    此致、  

    勇辉

  • 请注意,本文内容源自机器翻译,可能存在语法或其它翻译错误,仅供参考。如需获取准确内容,请参阅链接中的英语原文或自行翻译。

    尊敬的 Yong Hui:

    很乐意为您提供帮助!

    此致、

    胡安·奥斯皮纳