您好
开发出符合 BQ76952的客户设计。
通电后、执行 BQ769x2_Init 函数以初始化芯片。
BQ769x2_SampCurr 函数每500ms 执行一次、并在修改后的函数中调用 MosCtrTest 以测试 MOS 驱动信号。
测试顺序:
步骤1关闭 DMOS ->步骤2打开 DMOS ->步骤3关闭 CMOS/DMOS ->步骤4打开 CMOS/DMOS ->返回到步骤1并重复测试序列
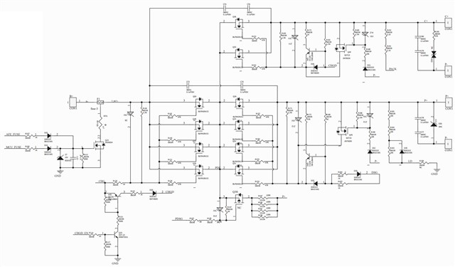
使用示波器测量芯片的 CHG/DSG 引脚信号。 与 B+相比、DSG 信号始终约为-35V、CHG 信号始终为0V。
没有驱动信号由测试序列控制。 MOS 控制功能 BQ769x2_MosControl (使用 subcmd)和 BQ769x2_MosControl_B (写入 FET_CONTROL 寄存器)、两种 MOS 控制方法具有相同的效果、但驱动信号不受控制。
另一种现象:当 CMOS 驱动器具有输出(实际测量的驱动电压相对于 B+大约为10V)时、请移除 R123。 当 Q25工作时、即 CHGD_EN 设置为高电平、CHG 信号将被拉至0V (相对于 B+)。
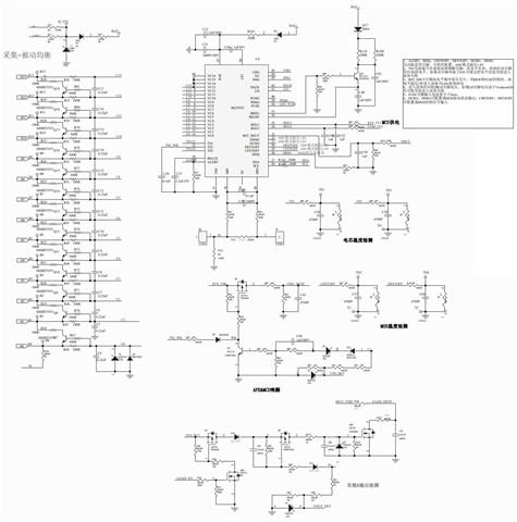
附上了原理图


请帮助检查它。
谢谢
星形