This thread has been locked.

If you have a related question, please click the "Ask a related question" button in the top right corner. The newly created question will be automatically linked to this question.

[参考译文] LM5176:升压模式下、LM5176在低瞬态测试期间的输出振荡。

Guru**** 2390755 points


请注意,本文内容源自机器翻译,可能存在语法或其它翻译错误,仅供参考。如需获取准确内容,请参阅链接中的英语原文或自行翻译。

https://e2e.ti.com/support/power-management-group/power-management/f/power-management-forum/1302373/lm5176-lm5176-output-oscillation-during-low-transient-test-in-boost-mode

器件型号:LM5176

您好、TI 支持团队、

 

我们使用 LM5176RHF 设计解决方案、用于降压/升压宽输入范围场景。

在负载瞬态测试期间、我们在9V 升压模式下遇到了输出端的一些振荡。 如果设置正确、您能帮助检查 COMP 和斜率电路吗?

 

 

设计参数:

输入:9V~36V。

输出:12V

最大电流(平均值):12A

OCP 设置:17A

 

 

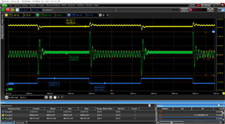
黄色:输入9V

绿色:输出。

蓝色:负载电流。

原理图:

 

 

 

提前感谢

扎克

  • 请注意,本文内容源自机器翻译,可能存在语法或其它翻译错误,仅供参考。如需获取准确内容,请参阅链接中的英语原文或自行翻译。

    您好、Zack、

    您能否从产品页面进入设计计算器页面、并填写设计参数并将其附加在此处。

    https://www.ti.com/tool/download/SNVC208

    您能否提供一个示波器批次、用于显示9V 输入对应几个 FSW 周期的输出电压。

    您是否还能介绍将用于测量 VOUT 的示波器探头连接到了何处以及如何连接

    此致、

     斯特凡

  • 请注意,本文内容源自机器翻译,可能存在语法或其它翻译错误,仅供参考。如需获取准确内容,请参阅链接中的英语原文或自行翻译。

    非常感谢您的答复。

    1. 几个 Fsw (551kHz)周期内输出的波形捕获。

    测量点位于 Vout 的输出电容 C158处、靠近 MOSFET Q30。 传输单端信号 

    使用您共享的工具、我们得到了如下配置:

    交叉频率应该是5~20% Fsw 对吧?

    谢谢。

    扎克

  • 请注意,本文内容源自机器翻译,可能存在语法或其它翻译错误,仅供参考。如需获取准确内容,请参阅链接中的英语原文或自行翻译。

    您好、Zack、

    感谢您的更新。
    可以、交叉频率的经验法则是开关频率的1/10或 RHPZ 的1/5、以较低者为准。
    您还可以在该主题中附加您填写的计算器。

    然后、我将对您的设计和波形进行审查、并在1-2天内收到我的反馈。

    谢谢、此致、
    尼克拉斯

  • 请注意,本文内容源自机器翻译,可能存在语法或其它翻译错误,仅供参考。如需获取准确内容,请参阅链接中的英语原文或自行翻译。

    您好、Niklas、

    非常感谢您的检查。

    我将重新计算的参数附在这里、然后重新进行测试、 振荡消失了。 PLZ 还有助于检查计算。

    提前感谢。

    扎克

    e2e.ti.com/.../LM5176_5F00_2ND_5F00_ROUND_5F00_CALCULATION1213.xlsm

  • 请注意,本文内容源自机器翻译,可能存在语法或其它翻译错误,仅供参考。如需获取准确内容,请参阅链接中的英语原文或自行翻译。

    您好、Zack、

    感谢更新和重新计算。
    我很高兴听到振荡消失了。

    计算器的波特图看起来不错。
    我们通常建议采用60度或更高的相位裕度。 计算器返回55度、这个值仍然很大。
    对于交叉频率、您应设置19kHz。
    最大交叉频率的经验法则是开关频率的1/10或 RHPZ 的1/5、以较低者为准。
    计算器估计 RHPZ 为81kHz、因此16kHz 的交叉频率更可取、但这些只是细微的改进。

    原理图的其余部分以及计算器看起来对我很好。

    此致、
    尼克拉斯