This thread has been locked.

If you have a related question, please click the "Ask a related question" button in the top right corner. The newly created question will be automatically linked to this question.

[参考译文] BQ51020:IC 停止在输出端提供充电电压

Guru**** 2385240 points
Other Parts Discussed in Thread: BQ51020
请注意,本文内容源自机器翻译,可能存在语法或其它翻译错误,仅供参考。如需获取准确内容,请参阅链接中的英语原文或自行翻译。

https://e2e.ti.com/support/power-management-group/power-management/f/power-management-forum/1283340/bq51020-ic-stops-providing-charging-voltage-on-output

器件型号:BQ51020

您好!

我们在无线充电器 IC (BQ51020)方面正面临着一些问题,在  使用了一些东西后, IC 就会出现故障,并停止工作。

下面随附的是供您参考的原理图。 您能回顾一下以下设计吗?

原理图:-

我们捕获了为您提供参考而连接的输出和 RECT 引脚上的电压:-

接收器线圈设计:-


并且我们已经捕获了工作和非工作板的接收器线圈端的电压波形。

工作板:-

非工作板:

请尝试尽快连接。

正在等待您的回复...

此致、

维尼格什公司

  • 请注意,本文内容源自机器翻译,可能存在语法或其它翻译错误,仅供参考。如需获取准确内容,请参阅链接中的英语原文或自行翻译。

    您好,Vignesh

    示波器捕获中的频率看起来像110kHz、这是高端频率。  如果 TX 是可变频率类型(110kHz 至205kHz)、则110kHz 是高输出功率侧。

    工作频率是否为110kHz?

    另在示波器捕获上:

    1.) 工作板--我输出打开,5V 输出?

    2.) 无工作板--输出是否打开?

    线圈看起来不错,很好-- RX 和 TX 线圈之间的间距是多少?

    原理图看起来正常。

  • 请注意,本文内容源自机器翻译,可能存在语法或其它翻译错误,仅供参考。如需获取准确内容,请参阅链接中的英语原文或自行翻译。

    尊敬的 Johns:

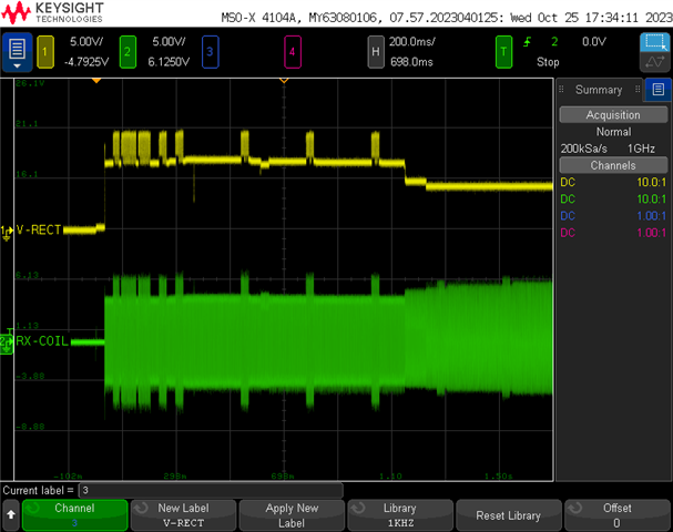
    1.我们捕获了 接收器线圈上的频率供您参考。

    2.工作板的输出电压波形。

    3. 非工作电路板的输出电压波形。

    并且所有不工作的板具有不同的浮动电压、如下表所述。

    4.黑白 Rx 和 Tx 线圈的精确间距为6mm。

    如果您需要更多信息、请告诉我、我们将回复您。

    此致、

    维尼格什公司

  • 请注意,本文内容源自机器翻译,可能存在语法或其它翻译错误,仅供参考。如需获取准确内容,请参阅链接中的英语原文或自行翻译。

    您好,Vignesh

    当频率为118kHz 时、这指向一低增益情况、在此情况下、系统很难将 RECT 引脚上的电压增加到7V。

    这可以是单元之间的线圈或间距。

  • 请注意,本文内容源自机器翻译,可能存在语法或其它翻译错误,仅供参考。如需获取准确内容,请参阅链接中的英语原文或自行翻译。

     启动时是否有 RECT 引脚的示波器捕获?

    应类似于随附的。

    e2e.ti.com/.../7178.TX-Start-up-and-Comm-Packets-Guide.pdf

  • 请注意,本文内容源自机器翻译,可能存在语法或其它翻译错误,仅供参考。如需获取准确内容,请参阅链接中的英语原文或自行翻译。

    尊敬的 Johns:

    我在工作板启动时探测了 RECT 引脚、下面连接了捕获的波形。

    我发现 RECT 引脚的电压大于10V、因此请再次参考原理图、因为连接到 RECT 引脚的电容器的额定电压为10V、电容是否可能发生故障。

    此外、我还观察到另一个  问题、当我开始探测 RECT 引脚时、IC 开始充电、我尝试取出电池并重新插入、但问题被重新解决了。

    此致、

    维尼格什公司

  • 请注意,本文内容源自机器翻译,可能存在语法或其它翻译错误,仅供参考。如需获取准确内容,请参阅链接中的英语原文或自行翻译。

    您好,Vignesh

    工作板看上去一切正常、我们可以看到不同的启动阶段。

    这与有问题的电路板相比如何?

    抱歉,但不确定如果电路板在探测时发生变化,该怎么推荐.  BQ51020是一款球栅器件、可能存在焊接问题。

  • 请注意,本文内容源自机器翻译,可能存在语法或其它翻译错误,仅供参考。如需获取准确内容,请参阅链接中的英语原文或自行翻译。

    您好、Bill、

    能否重新检查一下原理图? 它已在上面共享。  电容器的额定电压如何? 看起来 IC 无法馈送到 RECT 引脚、从而导致充电故障。 那么 FOD 电阻器呢? 目前这是56.2K、我们是否需要更改此电阻?  

    我以前尝试过替换此 IC、器件已开始充电。 问题是设备最初开始工作、但在这段时间内客户遇到充电设备问题。 如果是焊接问题、首先不应该进行充电、对吗???

  • 请注意,本文内容源自机器翻译,可能存在语法或其它翻译错误,仅供参考。如需获取准确内容,请参阅链接中的英语原文或自行翻译。

    还有一点...我只是尝试检查下面观察到的 P9243 EVM 上的接收器电源。 Rx 侧的功率大于5W、而在初级侧、功率损耗为负值。 这意味着接收器未针对5W 功率进行正确校准、它消耗的功率是否超过5W?? 是真的吗? 我可以看到0x01和0x02的一些寄存器设置...是用于设置接收功率

  • 请注意,本文内容源自机器翻译,可能存在语法或其它翻译错误,仅供参考。如需获取准确内容,请参阅链接中的英语原文或自行翻译。

    你好

     

    您能否重新检查原理图一次

    RECT 引脚电压通常将低于10V、OVP 为15V。  建议使用额定电压更高的电容器。  其他电容器上的额定电压看起来不错。  

    此类 IC 无法馈送到 RECT 引脚,从而导致充电失败。 [/报价]

    RECT 是来自 AC1和 AC2整流的非稳压电压。 RECT 是输入到输出 LDO。  RECT 引脚的额定电压为20V。  是否看到 LDO 出现了任何故障?

    如果是焊接问题,则不应首先收费,只能正确吗??

    如果焊点不好、它将在一段时间内的热循环期间出现故障。  测试正常、但稍后失败。  BQ51020在正常使用期间会变热、并且会对焊点造成应力。   

    您是否尝试过重新焊接有问题的部件、不要去除而只是回流焊?

    [/quote]
  • 请注意,本文内容源自机器翻译,可能存在语法或其它翻译错误,仅供参考。如需获取准确内容,请参阅链接中的英语原文或自行翻译。

    你好

    显示负功率损耗。 因此、这意味着接收器没有针对5W 功率进行正确校准、它消耗的功率是否超过5W??

    功率损耗应为负、这是正确的。  RX 的损耗误差预算约为350mW、这一值加上电源 RX 报告已收到、它将过度报告收到的功率。

    如果正确校准了 RX、负载范围内的损耗将在-25mW 和-350mW 之间。  调整 R-FOD 和 R-OS、以形成损耗与负载间的关系曲线。

  • 请注意,本文内容源自机器翻译,可能存在语法或其它翻译错误,仅供参考。如需获取准确内容,请参阅链接中的英语原文或自行翻译。

    如果正确校准了 RX、负载范围内的损耗将在-25mW 和-350mW 之间。  调整 R-FOD 和 R-OS、以形成损耗与负载间的关系曲线

    Rfod 和 Ros 值应该是什么??? 我们是应该进一步增大还是进一步减小?

    RECT 是来自 AC1和 AC2整流的非稳压电压。 RECT 是输入到输出 LDO。  RECT 引脚的额定电压为20V。  是否看到 LDO 出现了任何故障?

    LDO 的输入看起来不正确、因此我们没有获得任何5V 输出。

  • 请注意,本文内容源自机器翻译,可能存在语法或其它翻译错误,仅供参考。如需获取准确内容,请参阅链接中的英语原文或自行翻译。

    如果正确校准了 RX、负载范围内的损耗将在-25mW 和-350mW 之间。  调整 R-FOD 和 R-OS、以形成损耗与负载间的关系曲线

    Rfod 和 Ros 值应该是什么??? 我们是应该进一步增大还是进一步减小?

    [/报价]

    TX -- 4.35瓦

    接收- 5.82W

    PL - -1.435W

    RX 报告太多接收功率需要降低约1W。   

    R29 = 643 Ω、将该值减小到约499 Ω、这将降低 RX 功率。  需要根据您的设计调整该值、499可能不是最终值。

  • 请注意,本文内容源自机器翻译,可能存在语法或其它翻译错误,仅供参考。如需获取准确内容,请参阅链接中的英语原文或自行翻译。

    您好、John:

    我当时想以其他方式增加 R29的值、而不是通过降低 R29的值来降低接收功率、如 数据表中所述。 因此、必须增加 RILIM 以降低 ILIM 电流。

  • 请注意,本文内容源自机器翻译,可能存在语法或其它翻译错误,仅供参考。如需获取准确内容,请参阅链接中的英语原文或自行翻译。

    你好

    FOD 和 ILIM 是相关的。

    电流限制由 R28 ILIM 和 R29 FOD 设置、电阻值越大、电流限制点越低。

    报告给 TX 的接收功率由 FOD 引脚上的电压设置、R-FOD 值越高、向 TX 报告的功率越大。

    ILIM 引脚是一个电流源、此电流源与 OUT 上的电流成正比。  ILIM 还具有一个电压比较器、用于在电压达到 ILIM 点单元进入电流调节点时监测电压。

    由于 ILIM 上的电流与输出电流成正比、因此它用于驱动 FOD 引脚电压并指示输出电流以进行接收功率计算。

    如果 FOD 降低(643至499)、则 ILIM 电阻器将需要增加以使 ILIM 保持在同一点。

    ,  

  • 请注意,本文内容源自机器翻译,可能存在语法或其它翻译错误,仅供参考。如需获取准确内容,请参阅链接中的英语原文或自行翻译。

    您好、Bill、

    我们正在 以 5V / 890mA = 4.45W 的功率为电池充电、这几乎接近5W 的功率、而 BQ51020可以提供这种功率、因为经过一段时间后、IC 生命周期会缩短?

    此致、

    维尼格什公司

  • 请注意,本文内容源自机器翻译,可能存在语法或其它翻译错误,仅供参考。如需获取准确内容,请参阅链接中的英语原文或自行翻译。

    您好,Vignesh

    IC 可以在890mA 下运行、这不应缩短器件的生命周期。

    请注意、器件具有内部热关断功能、以防止过热和损坏。   

    此外、BQ51020是热增强型设计、具有更大的低损耗交流整流器 MOSFET、可减少热上升。

    您是否识别出器件拆卸、引脚短路或开路的任何问题?