This thread has been locked.

If you have a related question, please click the "Ask a related question" button in the top right corner. The newly created question will be automatically linked to this question.

[参考译文] BQ25792:为什么 bq25792每次首次插入电池然后再插入 PD 充电器时充电异常

Guru**** 2629085 points

Other Parts Discussed in Thread: TPS25750, BQ25792

请注意,本文内容源自机器翻译,可能存在语法或其它翻译错误,仅供参考。如需获取准确内容,请参阅链接中的英语原文或自行翻译。

https://e2e.ti.com/support/power-management-group/power-management/f/power-management-forum/1280792/bq25792-why-the-bq25792-charge-abnormally-every-first-time-plug-in-the-battery-and-then-the-pd-charger

器件型号:BQ25792
主题中讨论的其他器件:TPS25750

我们基于 TPS25750+BQ25792+BQ40Z50R1开发了用于便携式仪器的电池供电型器件、bq40z50r1封装在电池组中、另外两个封装在主板上与 SOC 一起设计。

每次你把电池(有足够的功率)插入主板,然后再插入 PD 充电器, PD 协商是可以的,但没有充电电流,STAT LED 闪烁,SDRV 引脚电平是锯齿波(见图片). PD 适配器(充电器)输出电流仅约为30mA、这只是主板消耗的静态工作电流。

如果您拔下再插入充电器(PD 协商正常)、或者不拔下充电器、只需长按/Qon 键10秒即可重启 bq25792、充电电流正常。  SDRV 电压是一个稳定的电平(比 BAT 引脚高大约5V )。

tps25750中的配置参数为:
20V/3A 灌电流
5V/3A 电源
16.8V 电池电压
1A 充电电流
120mA 预充电电流
80mA 截止电流

上述故障是重复的。 即、拔下充电器、然后拔下电池。 休息半分钟。 然后插入电池、再插入充电器。 则充电状态异常。 再次拔下并插上充电器、充电器工作正常。

  • 请注意,本文内容源自机器翻译,可能存在语法或其它翻译错误,仅供参考。如需获取准确内容,请参阅链接中的英语原文或自行翻译。

    我考虑了一个可能性、 在发生故障的情况 下、bq25792i 仍可在默认模式下工作、即使用默认的1小时涓流充电安全计时器继续为电池充电... 因为它可能永远不会从 tps25750接收 I2C 寄存器写入操作、所以它会保持默认模式。
    为什么 bq25792无法从 tps25750接收配置序列? 为什么它可以在再次拔插或将充电器复位后接收 I2Cm 配置序列?
    tps25750在读取 EEPROM 之后是否会立即通过 I2Cm 配置 bq25792? 如果只有 bq25792电源复位、tps25750是否知道? 它是否会重新配置 bq25792?

    非常感谢。

  • 请注意,本文内容源自机器翻译,可能存在语法或其它翻译错误,仅供参考。如需获取准确内容,请参阅链接中的英语原文或自行翻译。

    您好、Tom、

    我认为这是 TPS25750问题、因此我要转到该论坛。

    此致、

    杰夫

  • 请注意,本文内容源自机器翻译,可能存在语法或其它翻译错误,仅供参考。如需获取准确内容,请参阅链接中的英语原文或自行翻译。

    您好、Tom、

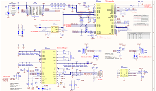
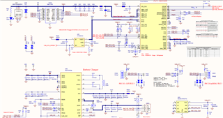
    请分享 PD 控制器的原理图以及 TPS25750的.json 文件。

    谢谢。此致、

    克里斯

  • 请注意,本文内容源自机器翻译,可能存在语法或其它翻译错误,仅供参考。如需获取准确内容,请参阅链接中的英语原文或自行翻译。

     e2e.ti.com/.../TPS25750_2D00_config_2D00_2023Sep08.zip

  • 请注意,本文内容源自机器翻译,可能存在语法或其它翻译错误,仅供参考。如需获取准确内容,请参阅链接中的英语原文或自行翻译。

  • 请注意,本文内容源自机器翻译,可能存在语法或其它翻译错误,仅供参考。如需获取准确内容,请参阅链接中的英语原文或自行翻译。

    谢谢您提供的信息 Tom、请给我一些时间来了解 json 和原理图、我打算下周再与您联系。

  • 请注意,本文内容源自机器翻译,可能存在语法或其它翻译错误,仅供参考。如需获取准确内容,请参阅链接中的英语原文或自行翻译。

    非常感谢。

  • 请注意,本文内容源自机器翻译,可能存在语法或其它翻译错误,仅供参考。如需获取准确内容,请参阅链接中的英语原文或自行翻译。

    没问题。

  • 请注意,本文内容源自机器翻译,可能存在语法或其它翻译错误,仅供参考。如需获取准确内容,请参阅链接中的英语原文或自行翻译。

    您好、Tom、

    您能否提供工作和非工作条件的 PD 日志?

    您能否为工作和非工作条件提供 I2C 通信流量日志( 如果可能、使用 逻辑分析仪)?

    最好的房间

    Christian。