您好
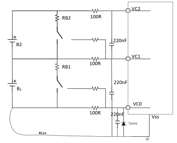
开发出 适用于15系列的 BQ76952客户设计。 仅用于电压和温度采样、未使用其他功能。
问题在于、当充电电流从10A 增加到高电流(80A)时、第一个电芯电压的采样值将从3300mV 变为2500mV、而其他电芯的电压采样值不变。
使用示波器捕获第一个电芯的电压值、未观察到压降。 捕捉 IIC 数据显示76952上传到主控件的电压为2500mV。


1.电压未经校准。 bq76952的采样误差本身不会太大。 最大15mV 不应该有任何影响。
2.他们使用 自己的设计板,而不是 EVM
3. 测量设计板上 VC0-VC0 VSS 之间的电压。 当80A 的电流通过 BAT-和 VSS 之间时、只会产生0.08V 的压降、这远不及0.5V 及以上的电压。 因此、它不应导致 VC1-VC0之间的采样值变小。 实际上、这种现象确实会发生。

查询如下:
1.当 VC0比 VSS 电压高0.5V 以上时、VC1-VC0之间进行低电压采样的根本原因是什么?
2. 除了 VC0比 VSS 电压高0.5V 这会导致 VC1采样值变小之外、还有什么其它的可能呢?
请帮助检查它。
谢谢
星