您好!
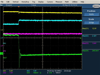
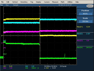
在此设计中、我使用 TPS2121在19V (VIN1)和12V (VIN2)之间自动将电源切换至 Vout。
当负载持续消耗20W 功率时、TPS2121无法将19V/IN1切换到 VOUT。 如果释放 Vout 上的20W 负载、19V/IN1可以切换到 Vout。

该引脚配置如下所示、
输入电压1:19V
VIN2:12V
PR1和 CP2:直接拉低至 GND
OV1和 OV2: 直接拉至 GND
RILM:34.8K Ω/3A
SS:0.1uF 至 GND
负载电容:820uF
浪涌电流控制:SRON = SRON/820uF 100mA = 1200V/S
我还可以在 TI TPS2121EVM 上重现此问题。 对我有什么建议吗?
吉米·C












