This thread has been locked.

If you have a related question, please click the "Ask a related question" button in the top right corner. The newly created question will be automatically linked to this question.

[参考译文] LM5143-Q1:在低温条件下、电压输出不稳定

Guru**** 2782565 points

Other Parts Discussed in Thread: LM5143

请注意,本文内容源自机器翻译,可能存在语法或其它翻译错误,仅供参考。如需获取准确内容,请参阅链接中的英语原文或自行翻译。

https://e2e.ti.com/support/power-management-group/power-management/f/power-management-forum/1265105/lm5143-q1-under-low-temperature-conditions-the-voltage-output-is-unstable

器件型号:LM5143-Q1
主题中讨论的其他器件:LM5143

在 LM5143应用在24V 至14.4V 范围内时、当温度范围为0至-30度时、14.4V 输出电压会大幅波动。 我们希望帮助确定异常的原因并解决它

  • 请注意,本文内容源自机器翻译,可能存在语法或其它翻译错误,仅供参考。如需获取准确内容,请参阅链接中的英语原文或自行翻译。

    您好!

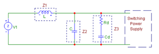
    VIN 看起来不稳定。 输入滤波器应使用电解电容器进行阻尼、或使用 ESR 进行一些电容抑制。

    请参阅应用手册: https://www.ti.com/lit/an/snva538/snva538.pdf

    您可以尝试移除滤波器电感器、然后查看响应是否改善。

    -奥兰多

  • 请注意,本文内容源自机器翻译,可能存在语法或其它翻译错误,仅供参考。如需获取准确内容,请参阅链接中的英语原文或自行翻译。

    这是-40 ℃ 处单相的输出电压波形、启动后仍然有一段不稳定波形。 这样做的原因是什么?

  • 请注意,本文内容源自机器翻译,可能存在语法或其它翻译错误,仅供参考。如需获取准确内容,请参阅链接中的英语原文或自行翻译。

    Chen、

    您的 VIN 是否是稳定波形?

    您是否有快速入门计算器?

    请尝试在稳定温度下测量波特图。

    可能也需要更新补偿元件。

    -奥兰多