This thread has been locked.

If you have a related question, please click the "Ask a related question" button in the top right corner. The newly created question will be automatically linked to this question.

[参考译文] LM5143:LM5143没有输出电压

Guru**** 2538955 points
Other Parts Discussed in Thread: LM5143

请注意,本文内容源自机器翻译,可能存在语法或其它翻译错误,仅供参考。如需获取准确内容,请参阅链接中的英语原文或自行翻译。

https://e2e.ti.com/support/power-management-group/power-management/f/power-management-forum/1264470/lm5143-lm5143-has-no-output-voltage

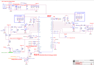
器件型号:LM5143

我们的 LM5143没有输出电压、因此我们没有找到根本原因。

请帮助一起检查一下。 谢谢!

webench 建议:

  • 请注意,本文内容源自机器翻译,可能存在语法或其它翻译错误,仅供参考。如需获取准确内容,请参阅链接中的英语原文或自行翻译。

    您好!

    您能否确认 EN、VCC 和 VDDA 电压?

    VCC 和 VDDA 需要为5V、EN 电压需要为高电平。

    我还建议尝试移除 FB 节点上的 U36、而仅使用默认的恒压调节模式。

    如果您上拉 FB 电压、则器件可能无法开始切换。

    -奥兰多

  • 请注意,本文内容源自机器翻译,可能存在语法或其它翻译错误,仅供参考。如需获取准确内容,请参阅链接中的英语原文或自行翻译。

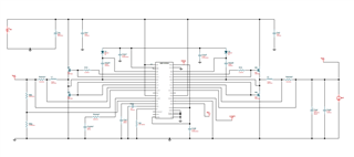
    我们可以通过将一个10nF 的电容器连接到 DITH 引脚来解决这一问题。 但我们不会继续坚持。 请为我们解释一下。谢谢。

  • 请注意,本文内容源自机器翻译,可能存在语法或其它翻译错误,仅供参考。如需获取准确内容,请参阅链接中的英语原文或自行翻译。

    您好!  

    DITH 电压会调制振荡器。

    如果未使用展频功能、则应将 DITH 连接到 VDDA。

    它不应保持悬空。

    -奥兰多  

  • 请注意,本文内容源自机器翻译,可能存在语法或其它翻译错误,仅供参考。如需获取准确内容,请参阅链接中的英语原文或自行翻译。

    谢谢。 那么、webench 建议的电路不正确、对吗?

  • 请注意,本文内容源自机器翻译,可能存在语法或其它翻译错误,仅供参考。如需获取准确内容,请参阅链接中的英语原文或自行翻译。

    我明白了。  

    我将尝试更新 WEBENCH。

    谢谢。

    -奥兰多