This thread has been locked.

If you have a related question, please click the "Ask a related question" button in the top right corner. The newly created question will be automatically linked to this question.

[参考译文] LM5122:VCC 为3.5V、电感器不进行开关

Guru**** 2511415 points
Other Parts Discussed in Thread: LM5122, PMP31073

请注意,本文内容源自机器翻译,可能存在语法或其它翻译错误,仅供参考。如需获取准确内容,请参阅链接中的英语原文或自行翻译。

https://e2e.ti.com/support/power-management-group/power-management/f/power-management-forum/1256186/lm5122-vcc-is-3-5v-and-inductor-not-switching

器件型号:LM5122
主题中讨论的其他器件: PMP31073

大家好!

我目前在六相升压转换器项目中面临一个令人困惑的问题、可以使用专家建议。 以下是该问题的简要概述:

背景

  • 我的原始设计是六相升压转换器、用于在20A 电流下获取24V 输入和90V 输出
  • 出于测试目的、 我目前只关注主 IC。
    • 在原理图中、我知道从器件的高 IC 接线错误、在我的 PCB 上已对主器件的高 MOSFET 正确接线  
  • 我尝试了 PMP310730参考设计、但这是我的第一个主要 PCB。  

问题1 -低 VCC 电压

  • VCC 电压应为7.6V、读数仅为3.5V。
  • 我已经仔细检查了电源、它设置为提供正确的电压。 但是、IC 未接收到预期的 VCC 电压。

问题2 - FB 引脚未调整

  • 我有一个外部电阻器、可从0V 至3.3V 获取电压输入来控制输出电压。
  • 我原本期望 IC 将 FB 引脚调节至1.2V 的固定电压、但 FB 引脚似乎没有按预期进行自调节。
  • 因此、输出电压的行为不符合预期。

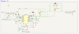
sch 的 PDF 位于此处 https://drive.google.com/file/d/1PcEkRzZUXyjZKM4kIFfQGDueALpS-MZ9/view?usp=sharing 

如果有人遇到过类似的挑战、或者对故障排除和解决这些问题有建议、我将非常感谢您提供的见解。

提前感谢您的帮助!

此致、 Jonathan Mathews

  • 请注意,本文内容源自机器翻译,可能存在语法或其它翻译错误,仅供参考。如需获取准确内容,请参阅链接中的英语原文或自行翻译。

    尊敬的 Jonathan:

    感谢您使用 E2E 论坛。

    让我们尝试将其分解为更小的部分:

    低 Vcc:

    如果您将 UVLO 置于0.4V 和1.2V 之间 (低于控制器启动电平、但高于启用 Vcc LDO 的电平)->您看到的 VCC 电平是否正确?
    Vcc 处电容器的额定电压是多少?

    FB 无法调整:

    它是否在没有外部控制以调节至预期输出电压的情况下工作。

    您在这里看到的确切行为是什么?

    最好的正餐

     斯特凡

  • 请注意,本文内容源自机器翻译,可能存在语法或其它翻译错误,仅供参考。如需获取准确内容,请参阅链接中的英语原文或自行翻译。

    因此、我向 UVLO 引脚施加了大约0.5V 的电压、但仍获得了 VCC 3.5V。  

    使用 FB 引脚时、我希望 IC 将 FB 引脚保持在1.2V 以 控制输出电压。 没有外部电压的情况下、它只有0V。  

    输出电压似乎只是输入电压。  

  • 请注意,本文内容源自机器翻译,可能存在语法或其它翻译错误,仅供参考。如需获取准确内容,请参阅链接中的英语原文或自行翻译。

    尊敬的 Jonathan:

    感谢您的测量-只是忘了问一个额外的问题

    在这种情况下、您的输入电压是多少?

    如果上述测试不符合该条件、您能否再次在输入电压> 8V 且 UVLO ~ 0.5V 的情况下进行检查。

    如果您仍然在 Vcc 上看到低于7V 的电压、那么 Vcc 上有一些负载、这会导致 Vcc 完成。

    请检查其中有什么地方不正常-例如电容器...

    此致、

     斯特凡

  • 请注意,本文内容源自机器翻译,可能存在语法或其它翻译错误,仅供参考。如需获取准确内容,请参阅链接中的英语原文或自行翻译。

    很抱歉回复延迟。 因此我更换了芯片、现在 VCC 显示了大约7.6V 的适当电压。 但升压转换器仍然无法按预期工作。 MOSFET 栅极上没有开关、FB 引脚不由 IC 调节。   

  • 请注意,本文内容源自机器翻译,可能存在语法或其它翻译错误,仅供参考。如需获取准确内容,请参阅链接中的英语原文或自行翻译。

    尊敬的 Jonathan:

    我建议分步进行:

    -你能先尝试只操作一个相,并得到这个

    -请探测 LM5122上的所有信号并检查它们是否具有预期的信号。 最好使用示波器对此进行检查、以查看其中是否还有任何波形。

    -请在此处分享结果以了解后续步骤。

    此致、

     斯特凡

  • 请注意,本文内容源自机器翻译,可能存在语法或其它翻译错误,仅供参考。如需获取准确内容,请参阅链接中的英语原文或自行翻译。

    那么、现在我只看一个相位。 其他相线仍通过 PCB 上的布线连接。 由于更换了芯片、我原来的 VCC 问题得以解决。 但升压电路仍无法正常工作。 以下是使用100mA 负载进行测试时相位的大多数信号的测量值。  

    ------------------

    从其余从器件的隔离式主 SS 电容器以及使用磁线将电容器直接连接到主 IC、也从将所有 IC 连接到 SS 的通道划掉了走线。  

    将 FB_microcontroller 设置为2.13会使 FB 为0.9V

    UVLO 3.3V
    FB 0.9
    输入电压 24V
    VCC 7.49
    15.6mV
    0V
    软件 24V
    BST 7.54
    SYNCIN 307 kHz
    SS 0.56mV
    斜率 1.2
    模式 VCC
    分辨率 17.6mV
    CSP 24V
    CSn 24V
    BST 二极管(D6) 7.35V 两侧

    我注意到的是、  

    - BST 电容从输入电压(24V)开始、下降至 VCC (7.6V)。 显示为 Vin + VCC。 我的 VCC 电容器为10uF、我的 BST 电容器为15uF

    - SS 接近于零,根据我能够读取的数据表, SS 应该高于1.2V,所以 IC 使用内部1.2V 基准,因为它使用两者中的较低者。(第19页:7.3.7软启动)

    - IC 从未试图将 FB 引脚保持在1.2V

    ------------------

    在额外背景下、SYCIN 引脚由振荡器和十进制计数器提供一个外部时钟源、该计数器将1.8Mhz 频率拆分为300Hz 用于每一相。  

    ------------------

    我知道我们只在查看主 IC、但这里也是一个从器件:

     

  • 请注意,本文内容源自机器翻译,可能存在语法或其它翻译错误,仅供参考。如需获取准确内容,请参阅链接中的英语原文或自行翻译。

    我的补偿网络是空的、我是否需要填充这些内容?

  • 请注意,本文内容源自机器翻译,可能存在语法或其它翻译错误,仅供参考。如需获取准确内容,请参阅链接中的英语原文或自行翻译。

    尊敬的 Jonathan:

    是的、没有适当的补偿、它就无法工作。

    此致、

     斯特凡

  • 请注意,本文内容源自机器翻译,可能存在语法或其它翻译错误,仅供参考。如需获取准确内容,请参阅链接中的英语原文或自行翻译。

    您认为只需填充即可解决该问题吗? 那么 SS 引脚或我在上面提到的

  • 请注意,本文内容源自机器翻译,可能存在语法或其它翻译错误,仅供参考。如需获取准确内容,请参阅链接中的英语原文或自行翻译。

    尊敬的 Jonathan:

    如果没有适当的补偿、器件将无法工作。

    那么、SS 可能会上升和下降-您是否使用示波器测量了 SS?

    不过、在进行其他测量之前首先解决 COMP。

    此致、

     斯特凡

  • 请注意,本文内容源自机器翻译,可能存在语法或其它翻译错误,仅供参考。如需获取准确内容,请参阅链接中的英语原文或自行翻译。

    您好、很抱歉响应延迟、我放置了补偿部件、情况没有改变

  • 请注意,本文内容源自机器翻译,可能存在语法或其它翻译错误,仅供参考。如需获取准确内容,请参阅链接中的英语原文或自行翻译。

    尊敬的 Jonathan:

    感谢您的更新。

    填充补偿后、器件是开始开关还是栅极信号在提供输入电压后仍处于非活动状态?
    对于升压电容器(C68)、10uF 非常高。 我建议使用0.1 μ F 的值。
    您是否还可以检查 FB 引脚是否稳压、如果外部 FB 信号如此无载(R56)?
    为补偿选择了哪些值?
    我们有一个功率级设计工具、可以帮助选择稳定补偿的值:
    https://www.ti.com/tool/POWERSTAGE-DESIGNER

    谢谢、此致、
    尼克拉斯

  • 请注意,本文内容源自机器翻译,可能存在语法或其它翻译错误,仅供参考。如需获取准确内容,请参阅链接中的英语原文或自行翻译。

    您好、我将升压电容器更改为0.1uF 电容器。 外部 FB 控制信号已填充。 VCC 可以运行、而且栅极处没有进行切换。 从我能告诉它的一点、我认为芯片处于待机模式、

  • 请注意,本文内容源自机器翻译,可能存在语法或其它翻译错误,仅供参考。如需获取准确内容,请参阅链接中的英语原文或自行翻译。

    Jonathan、您好!

    在查看该主题时、我发现了两件事:

    1)
    澄清一下:

    -你写道:
    >我原本期望 IC 将 FB 引脚调节至1.2V 的固定电压、但 FB 引脚却没有按预期进行自调节。

    FB 引脚为纯输入。 IC 永远不会尝试将该引脚驱动至特定的电压。
    您必须计算反馈分压器的值、从而将所需的输出电压分压至1.2V。
    因此、当转换器运行时、FB 引脚上的电压应为1.2V (由外部分压器馈入该引脚)。
    因此、如果输出电压低于目标电压、则馈入 FB 引脚的电压也相应降低。

    2)
    我可以看到您需要将外部时钟馈送到我们的 IC、如数据表的图33所示。

    如图33中红色字母所示、 主 IC 的 OPT 引脚必须连接到 VCC!

    如果按照原理图中所示将 OPT 引脚连接到 GND、则它不能与直接直流耦合的时钟源一同工作。

    这仅涉及主 IC。 对于其他 IC、需要将 FB 引脚连接到 VCC、并将 OPT 引脚连接到 GND。


    请尽可能遵循参考设计 PMP31073:
    www.ti.com/.../PMP31073

    原理图:
    www.ti.com/.../tidm960

    此致
    哈利