This thread has been locked.

If you have a related question, please click the "Ask a related question" button in the top right corner. The newly created question will be automatically linked to this question.

[参考译文] TL431:TL431BQLP 与 TL431BQLPM 之间的关系

Guru**** 2531720 points


请注意,本文内容源自机器翻译,可能存在语法或其它翻译错误,仅供参考。如需获取准确内容,请参阅链接中的英语原文或自行翻译。

https://e2e.ti.com/support/power-management-group/power-management/f/power-management-forum/1264490/tl431-tl431bqlp-vs-tl431bqlpm

器件型号:TL431

尊敬的先生/女士:

我能知道 TL431BQLP 与 TL431BQLPM 之间的任何典型差异吗?

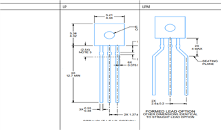
我是对的说 LP 是直接的铅,而 LPM 是现成的铅,如下图所示,或他们实际上是相同的? 是这样吗?  

此致、Felix

  • 请注意,本文内容源自机器翻译,可能存在语法或其它翻译错误,仅供参考。如需获取准确内容,请参阅链接中的英语原文或自行翻译。

    您好!

    是的。 "LPM"已形成铅。

    谢谢。