This thread has been locked.

If you have a related question, please click the "Ask a related question" button in the top right corner. The newly created question will be automatically linked to this question.

[参考译文] LP2950:如何使用线性稳压器、LP2950-50LPRE3

Guru**** 2505085 points
Other Parts Discussed in Thread: LP2950, TPS709, TPS798-Q1, LP2951

请注意,本文内容源自机器翻译,可能存在语法或其它翻译错误,仅供参考。如需获取准确内容,请参阅链接中的英语原文或自行翻译。

https://e2e.ti.com/support/power-management-group/power-management/f/power-management-forum/1242939/lp2950-how-to-use-linear-voltage-regulator-lp2950-50lpre3

器件型号:LP2950
主题中讨论的其他器件: TPS709TPS798-Q1LP2951

您好、应用工程师、

我不熟悉稳压器的使用。 我想使用三节9V 串联电池为仪器供电、我想使用一个稳压器为4通道无线接收器输出5V 的电压、然后接收器将逻辑信号发送到电机控制器以进行电机方向和速度控制。 使用过程中电压会从27 V 降至15 V、因此稳压器将确保向无线接收器提供稳定的5 V 输出。 我将使用  LP2950-50LPRE3、如下方链接所示。

www.digikey.ca/.../1216539

有人可以帮助我解决线缆连接问题吗? 我不知道我是否可以将27V 电池直接连接到稳压器的输入引脚、并将5V 输出引脚直接连接到接收器? 或者、我需要放置一个电阻器来限制到稳压器的输入电流、还是也需要放置任何到输入和输出引脚的电容器。  无线 接收器需要来自电机 控制器的空载5.7 mA 和数字负载6.25 mA。  

谢谢。  

Gu

  • 请注意,本文内容源自机器翻译,可能存在语法或其它翻译错误,仅供参考。如需获取准确内容,请参阅链接中的英语原文或自行翻译。

    尊敬的 Gu:

    我可以为您提供此电路方面的帮助。  如果您有任何其他问题、请重新回答。  

    将27V 电池连接到输入引脚、将 LDO 的输出连接到您的负载电路。  除非您想通过散热来分散功率、否则不需要使用串联电阻器。  在(27-5)* 6.25mA =整个 LDO 的功耗137.5mW 的情况下,由于热阻为140 C/W,LDO 将比环境温度高大约20°C。  因此、如果环境温度为25°C (室温)、则 LDO 的结温仅为45°C。  大多数电子产品都保持55°C 或更低的温度、以实现长期可靠性、因此45°C 的结温应该是合适的。

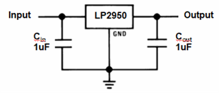
    LP2950需要一个输入电容器和输出电容器至少为0.33uF、因此选择的良好电容器为1uF (考虑到容差)。  输入电容器可以是方便使用的任何电容器(铝电解电容器、钽或陶瓷电容器等)。  输出电容器必须具有至少100m Ω 的 ESR (但不大于2 Ω 的 ESR)。  该下限值去除了陶瓷电容器、而上限值去除了一些铝电解电容器。  因此、理想情况下、输出电容器是干钽电容器。  如果要在输出端使用陶瓷电容器、则需要一个至少100m Ω 的串联电阻器以满足 ESR 规范。  ESR 处于电容器的谐振中、但大多数干燥的钽将满足这一要求。  

    如果这是我的设计、我会寻找用于输入轨的干钽或铝电解电容器、因为27V 输入电源很难找到低成本的陶瓷电容器。  我会指望干钽电容器来提供输出。

    谢谢。

    斯蒂芬

  • 请注意,本文内容源自机器翻译,可能存在语法或其它翻译错误,仅供参考。如需获取准确内容,请参阅链接中的英语原文或自行翻译。

    尊敬的  Stephen:

    非常感谢您的答复。

     解决该问题的方法有两种、一种是使用 分压器、另一种是使用稳压器。 我想选择一种从电池中消耗较少电流的电量监测计。 我做了一些关于使用分压器为 无线控制器供电的测试、下面是一个简化的电路和测试结果。、我想在这里与您分享、以帮助我进行选择。  

    首先我用3节 AA 电池、总电压4.74V 给无线接收器供电、它工作的很好、接通接收器后电压保持在4.74V、空载时流耗为5.72 mA、按遥控按钮时流耗为6.34 mA。 这意味着电池的电流消耗会增加0.62 mA。 结果列为测试#0。

    然后、我使用了一些手中可用的电阻器、并使用表中所列的不同组合对分压器进行了一些测试。 该电路为无线接收器使用电阻值 rw = 829欧姆、该值是使用 rw = 4.74/0.00572 = 829计算得出的。 针对远程控制负载的 RL = 7645欧姆电阻器、该值是使用 RL = 4.74/0.00062 = 7645计算得出的。 R2、RW 和 RL 被认为是并联的、V2和 VW 分别在没有和有无线接收器连接的情况下测量。 连接接收器且按下遥控按钮时、分别测量 iw 和 iW&L。 I1是 R1的电流、也是总电流。

    可以看出、当连接无线接收器时、V2到 VW 的电压总是下降、而当按下遥控按钮时、iw 到 Iw&L 的电流会下降、如测试2和3所示。 然而、这与由3节 AA 电池供电的情况有很大不同。 连接接收器后、4.74V 电压保持不变、同时按下远程按钮时电流增大。 对于3 AA 电池供电情况、由于总体电阻值降低、电流增加与并联电路一致。 对于3-9V 电池和一个分压器的情况、电流 下降似乎是异常的。

    如果使用分压器、在了解测试结果后出现压降的原因并不难理解、 然而、很难理解为什么电流 iw 大约为3节 AA 电池供电外壳(5.72 mA)的3倍(第16位-19 mA)、24V 电池的总电流消耗 I2在20 -40 mA 的范围内、这对于电池使用寿命是一个很大的问题。

    测试#6是所需的极端情况、其中使用 R2=45.8k 电阻将电流从 R1转移到 RW 和 RL、尽量减少流向 R2的电流、从理论上讲、它为接收器生成了5.5V 电压、其中汲取的电流 iw 应 小于7mA。 不过、即使电流消耗通过测量19.7 mA、无线接收器也无法正常工作。  

    您提到稳压器的温度比环境升高大约20°C、 我的项目是一个手持工具、所有的电子元件都封闭在一个非常小的空间内、一个电机控制器、一个无线接收器、而电压调节器彼此靠近。 夏季工作时、环境温度可能已经是45°C。 因此、热效应是一个关键因素。  

    根据我的分压器测试结果、分压器消耗的电流是3节 AA 电池供电情况的三倍。 LP2950似乎有内部分压器、我不知道从输入源消耗更多电流是否会产生类似的效果。 您能否估计一下、如果按如下方式使用 LM2950、24V 电池实际上会淹没多少电流?

    此致、

    Gu

  • 请注意,本文内容源自机器翻译,可能存在语法或其它翻译错误,仅供参考。如需获取准确内容,请参阅链接中的英语原文或自行翻译。

    尊敬的 Gu:

    LP2950的20C 上升将局限于 LDO 本身、因此如果器件上有散热片、可能无法解决此问题。  您的手动工具不会出现这么热、只是 LP2950周围的局部区域、并且只有应用中的散热最少。  您需要查看 LDO 的静态电流(IQ)规格、以了解它将消耗的额外电流消耗、包括任何内部设定点电阻器。  LP2950在轻负载下的 IQ 通常为75uA、并且随着负载增加而增加。  

    如果需要具有更低 IQ 和更好热性能的器件、请考虑 TPS709 (DRV 封装)。

    您是否担心您的设备用户向后插入电池?  如果是、您可能需要查看具有用于电池供电应用的反向电压保护的 TPS798-Q1。  与 LP2950相比、TPS798-Q1还具有更好的热性能和更低的 Iq。

    谢谢。

    斯蒂芬

  • 请注意,本文内容源自机器翻译,可能存在语法或其它翻译错误,仅供参考。如需获取准确内容,请参阅链接中的英语原文或自行翻译。

    尊敬的 Stephen:

    我的负载将大于6 mA、可能是10 -20 mA。  TPS709 和  TPS798-Q1没有穿孔选项。

    谢谢。

    Gu

  • 请注意,本文内容源自机器翻译,可能存在语法或其它翻译错误,仅供参考。如需获取准确内容,请参阅链接中的英语原文或自行翻译。

    尊敬的 Gu:

    好的、谢谢、如果您需要一个穿孔选项、那么我同意 LP2950。  我能够在这个低负载电流值附近找到2个 Iq 测量值。  1mA 负载电流下的 Iq 为91uA。  25mA 负载电流下的 Iq 为465uA。  这些数据是在整个温度范围(-55C、-40C、0C、25C、85C 和125C)内测量的、但在这些低负载值下、并没有显著变化。  

    根据此测试数据、我估计:

    Iq 为169uA 的6 mA 负载电流
    Iq 为231uA 的10mA 负载电流
    Iq 为387uA 的20mA 负载电流

    谢谢。

    斯蒂芬

  • 请注意,本文内容源自机器翻译,可能存在语法或其它翻译错误,仅供参考。如需获取准确内容,请参阅链接中的英语原文或自行翻译。

    尊敬的 Stephen:

    谢谢。

    我已经订购了  LP2950 稳压器和1uF 钽 电容器。 数据表中指出电容器的 ESR 需要小于5欧姆、我找不到 SER 低于5的1uF 电容器、我订购的电容器在100kHz 下的 ESR 为8欧姆

    www.digikey.ca/.../7536062s=N4IgTCBcDaICwHYAcBaAKgQQAoEYAMArANJ4DMBAwgEoDKFaKAcgCIgC6AvkA   

    ESR 主要用于交流。 我将使用纯直流电池、8欧姆 ESR 真的很重要吗?

    如果 ESR 确实很重要、 可以选用2.2uF 电容器吗? 它具有3.5欧姆的 ESR、额定电压@ 50V。  

    TAP225K050SCS Kyocera AVX |电容器| Digikey

    此致、

    Gu

  • 请注意,本文内容源自机器翻译,可能存在语法或其它翻译错误,仅供参考。如需获取准确内容,请参阅链接中的英语原文或自行翻译。

    尊敬的 Gu:

    对于该 LDO、输入电容器是可选的。  您可能希望加入输入电容器以帮助快速导通(请参阅下面复制的图20)。 9V 电池具有相对较高的内部阻抗、并且可能难以在 LDO 导通期间提供所需的电流、从而导致器件不必要的非单调导通。  具有较低 ESR 的输入电容器有助于在导通期间提供该电流。  当然、您可以在使用和不使用输入电容器的情况下测试 LDO、看看哪种器件最适合您。

    我认为您订购的1uF 电容器应该没问题。  LDO 的 ESR 规格是电容器谐振时的规格。  ESR 取决于频率、随频率下降。  该电容器可能的谐振频率高于100kHz -从我在 AVX 数据表中可以看出、谐振时的实际 ESR 小于1欧姆。  

    请参阅第1.4.3节: https://catalogs.kyocera-avx.com/TantalumNiobium.pdf

    我在 AVX 的网站上找不到此电容器的准确测试数据、因此唯一要确定的方法是使用 LDO 测试电容器或要求 AVX 提供跨频率的阻抗曲线。

    在我看来、2.2uF 电容器也没有问题。

    谢谢。

    斯蒂芬

  • 请注意,本文内容源自机器翻译,可能存在语法或其它翻译错误,仅供参考。如需获取准确内容,请参阅链接中的英语原文或自行翻译。

    尊敬的 Stephen:

    感谢您的信息。 我收到了我的订单、但还有一件事需要与您核对 LP2950上的导线连接。

    我不确定左图和中间图是否显示这三个针脚朝向观察者/读取器 、如右侧图所示、  我根据我对左图的理解对针脚进行了编号。 请核实一下吗? 我希望避免由于电源极性错误而损坏器件。  

    Gu

  • 请注意,本文内容源自机器翻译,可能存在语法或其它翻译错误,仅供参考。如需获取准确内容,请参阅链接中的英语原文或自行翻译。

    尊敬的 Gu:

    您的绘图是正确的。

    谢谢。

    斯蒂芬

  • 请注意,本文内容源自机器翻译,可能存在语法或其它翻译错误,仅供参考。如需获取准确内容,请参阅链接中的英语原文或自行翻译。

    尊敬的 Stephen:

    我进行了两次测试、测试1使用 1uF  钽 输入电容器、 测试2不使用输入电容器;两次测试都使用 1uF  钽 输出电容器和  24V 输入电源(三节9V 串联电池)。

    对于测试1、将电源连接到输入后、点1 和点2之间的输入电压变为2.3V 、点3和点4之间的输出电压也为2.3V、   

    对于测试2、将电源连接到输入后、点1 和 点2之间的输入电压保持为24V、点3和点4之间的输出电压为5.7-7.4V、 这高于无线接收器所需的5V 电压、并且出现很大的电压波动、因此由于担心  过压电源问题、我没有将无线接收器与接收器相连。  

    您能帮我解决这个问题吗?

    此致、

    Gu

  • 请注意,本文内容源自机器翻译,可能存在语法或其它翻译错误,仅供参考。如需获取准确内容,请参阅链接中的英语原文或自行翻译。

    尊敬的 Gu:

    您能否分享您正在使用的钽器件型号? 如果制造商有在线发布的数据、我想检查一下。

    您是否能够为输出端增加一些负载?  如果您认为负载电流将为5mA、您能否在 Vout 到 GND 之间添加一个1k 电阻器、并让我知道稳压器是否不调节?

    如果这样不起作用、我将获取样片并在实验室中对此进行测试。

    谢谢。

    斯蒂芬

  • 请注意,本文内容源自机器翻译,可能存在语法或其它翻译错误,仅供参考。如需获取准确内容,请参阅链接中的英语原文或自行翻译。

    尊敬的 Stephen:

    电容器为 TAP105K035CR

      https://www.digikey.ca/en/products/detail/kyocera-avx/TAP105K035CRS/7536062

     如果尝试使用  比所需5V 高5.7-7.4V 的电压的负载、则负载是关键 FOB 远程控制器。

    https://www.digikey.ca/en/products/detail/parallax-inc/700-10016/6009015

    我用三节 AA 电池4.74V 进行了测试,电流负载为5.45g -6.34 mA。 我 与制造商交流过、称建议 电压为5±0.5V、 添加1k 电阻器不会降低电压。  

    此致、

    Gu

  • 请注意,本文内容源自机器翻译,可能存在语法或其它翻译错误,仅供参考。如需获取准确内容,请参阅链接中的英语原文或自行翻译。

    尊敬的 Gu:

    该器件的特点是负载电流至少为100uA、似乎您的应用可以拥有远远超过此值。  

    在没有负载的情况下运行 Vout 可能会导致 Vout 上升到高于所需的设定点。  如果可能、请尝试在一定负载电流下对其进行测试、以查看这是否可以解决问题。  我在实验室中查看过、但遗憾的是、我们没有此 LDO 的任何副本。  我已为某些样片下订单、这些样片需要5个工作日才能送达。  如果您在问题到达后仍需要一些帮助、我将在实验室进行测量。

    谢谢。

    斯蒂芬

  • 请注意,本文内容源自机器翻译,可能存在语法或其它翻译错误,仅供参考。如需获取准确内容,请参阅链接中的英语原文或自行翻译。

    尊敬的 Stephen:

    我使用和不使用输入电容器进行了更多的测试、我这样做的原因是我怀疑 LP2950可能有故障。 我使用新的 LP2950和新电容器进行了测试。 我已经购买了10个 LP2950和20个1uF 电容器。 结果如下;  

    A:2 使用输入电容器和输出电容器进行测试、 连接 LP2950后、输入电压从24V 降至0.0V、输出电压也为0.0V、且输入电容器 变为 导电、 大约为400-700 欧姆。 所以、两个输入电容器 损坏了、  

    B:1 使用输入电容器和输出电容器进行测试、  连接 LP2950后、输入电压从24V 下降到1.3V、输出电压也为1.3V、并且输入电容器未烧导电。

    C:1在不使用输入电容的情况下进行测试、 连接 LP2950后输入电压保持在24V、输出电压为4.6-6.3V  、然后我连接无线接收器、输出电压略微下降到4.6-6.1V、仍然高于预期。 接收器工作正常。 我尝试了几分钟。 我需要看到输出电压下降到5V、然后使用负载对其进行更长时间的测试。  

    根据观察结果和测试结果、我的理解如下、但我可能错了。

    对于使用输入电容器的情况、输入电容器在将 LP2950连接到24V 时由浪涌电流充电、带电容器没有机会放电并产生反电势、从而抵消了输入电压。 由于9V 电池连接需要对齐公头和母头按钮才能牢固安装、因此充电情况可能会视具体情况而定、具体取决于连接是一次性还是多次完成。 输入电容器可以与交流整流直流一起工作、并且可以在输入电压为低电平时放电。  https://commons.wikimedia.org/wiki/File:Simple_full-wave_rectified_sine.svg 。  因此、电池供电系统不能选择输入电容器。  

    我将在没有输入电容器和输出电容器的情况下测试、在没有两个1uF 输出电容器并联的情况下、使其成为 ESR 值为8/2 = 4欧姆的2uF 电容器。

    此致、

    Gu

  • 请注意,本文内容源自机器翻译,可能存在语法或其它翻译错误,仅供参考。如需获取准确内容,请参阅链接中的英语原文或自行翻译。

    好的,感谢顾的更新。  我订购的样片将开始发货、希望我能在下周下半月进行任何需要执行的额外测试。  

    谢谢。

    斯蒂芬

  • 请注意,本文内容源自机器翻译,可能存在语法或其它翻译错误,仅供参考。如需获取准确内容,请参阅链接中的英语原文或自行翻译。

    尊敬的 Stephen:

    下面是不使用输入电容器的情况下的测试结果的更新。

    可以看出、输出电压随着并联输出电容器数量的增加(或总输出电容)而降低、输出电压也随着输入电压的降低而降低。   当输入电压降至16.3V 时、输出电压无法保持在大约5V。 它用作分压器、而不是稳压器。

    我正在寻找 输入电压范围为15-25V 且电压为5±0.5V 的输出电压。

    LP2950数据表 8.2.1.1输入电容器(CIN)
    如果交流滤波电容器和输入之间存在或将会有较大阻抗、则应在 LP2950或 LP2951器件的输入端放置一个1-μF (钽、陶瓷或铝)电解电容器。 实现  例如、如果使用电池作为输入、 或者交流滤波电容器距离传感器超过10分钟。 对于此电容器没有 ESR 要求、可以无限制地增加电容。

    但是、对于电池供电的应用、需要输入电容器、我的测试结果并不建议使用。

    我希望您做一些进一步的测试、看看我的目标是否可以实现。

    此致、

    Gu

  • 请注意,本文内容源自机器翻译,可能存在语法或其它翻译错误,仅供参考。如需获取准确内容,请参阅链接中的英语原文或自行翻译。

    尊敬的 Gu:

    一旦样本到达、我将更详细地介绍这一点。  我还订购了这些电容器、因此我们将使用同一组硬件。  我可能直到下周一才会获得样片、但如果有额外的数据、我会马上回复。

    谢谢。

    斯蒂芬

  • 请注意,本文内容源自机器翻译,可能存在语法或其它翻译错误,仅供参考。如需获取准确内容,请参阅链接中的英语原文或自行翻译。

    尊敬的 Gu:

    我对电路进行了测试、借助这些电容器、我能够在 Vin = 24V 时复制您的发现。 根据 LP2950数据表、电容器不得具有足够的 ESR 作为输出电容器。 一旦我使用了具有足够 ESR 的电容器(我在这里使用了铝电解电容器)、LDO 就会按预期进行调节。  我们无法在线找到这些电容器的 ESR、但如果您添加一个串联电阻器来满足数据表中要求、这样应该能使 LDO 正常调节。

    我这里有部件、因此如果您需要完成任何其他测试、请告诉我。

    谢谢。

    斯蒂芬

  • 请注意,本文内容源自机器翻译,可能存在语法或其它翻译错误,仅供参考。如需获取准确内容,请参阅链接中的英语原文或自行翻译。

    尊敬的 Stephen:

    非常感谢您花时间测试电容器。 我对您在下面1和2之间的描述有点困惑。   

    1.根据 LP2950数据表、电容器不得具有足够的 ESR 作为输出电容器。

     2.我使用了一个我知道有足够 ESR 的电容器  

    数据表显示输出电容器的 ESR <= 5欧姆、2个或3个1 µF 的50V 钽电容器 并联的 ESR 值 低于5欧姆。  

    我 在 Digikey 上找到1 µF 50V 铝电解电容器。 我以前购买器件的地方。  您能为我检查一下吗、 它是否可行、它的 ESR 为2.4欧姆。

    https://www.digikey.ca/en/products/detail/kemet/ESC105M050AC3AA/13176504

    我想做的另一件事是将 LP2950与 1 µF 50V 钽电容器配合使用、使它们 像我测试的那样用作分压器。 最初、我想将两个电阻器用作分压器、我 之前也对它们进行了测试、并将测试结果发布在了这里。 我发现电阻分压器 汲取的电流大于预期  值、约为 20 mA。    如果 负载约为 1K 的电阻器、我能否给您麻烦一下、如何使用1 µF 50V 钽电容器测量 LP2950器件对负载的电流消耗?  我使您难以测量的原因是我的万用表停止了 电流测量工作。 所有其他功能仍然很好。 我不知道为什么、两周前它运行良好。  

    此致、

    Gu

  • 请注意,本文内容源自机器翻译,可能存在语法或其它翻译错误,仅供参考。如需获取准确内容,请参阅链接中的英语原文或自行翻译。

    尊敬的 Gu:

    我将在1-2个工作日内回复您的电子邮件。

    谢谢。

    斯蒂芬

  • 请注意,本文内容源自机器翻译,可能存在语法或其它翻译错误,仅供参考。如需获取准确内容,请参阅链接中的英语原文或自行翻译。

    尊敬的 Gu:

    我对拖延答复表示歉意。 我对电路进行了重新测试、它现在可以与您选择的陶瓷电容器配合使用。  我在使用面包板时连接不好(这种情况有时会发生在面包板上)。  我对困惑表示歉意。  这是我的设置图像(红色是 Vin、蓝色是 GND)和测试数据。

    通道1 =黄色= Vout = 5V
    通道2 =红色= Vin = 24V

    在 LDO 无负载的情况下、我测量的电流为100uA、但我使用的是 HP 3478A DMM、在这些轻负载下、测量结果可能有些不准确。 导通结果如下所示。

    在100欧姆负载下、我使用 HP 3478A DMM 在输入电流下测量了5.17mA。  导通结果如下所示。

    谢谢。

    斯蒂芬

  • 请注意,本文内容源自机器翻译,可能存在语法或其它翻译错误,仅供参考。如需获取准确内容,请参阅链接中的英语原文或自行翻译。

    尊敬的 Stephen:

    非常感谢您的测试。 我希望您澄清以下问题、

    1.您在测试中使用了陶瓷电容器,我购买的一个是 1 µF 50 V 钽电容器,我链接到的一个是 1 µF 50 V 铝电解电容器。 您是否是说 陶瓷 电容器和铝电容器都应该可以工作? 每个电容器的 ESR 是多少? 链接到来源将会非常有帮助。

    2.该图显示连接了两个电容器,分别用于输入和输出,还是两者用于并联输出?  

    3. 24V 电源是由3节(9V)电池供电还是由24V 电源适配器供电? 24V 电源适配器不同于3节(9V)电池、电池是纯直流、而电源适配器 不是纯直流。电容器可 通过电源适配器进行充电和放电调节。 您能否使用3节(9V)电池对其进行测试?

    4.您测量的输入电流、这意味着功率是24V X 5 mA = 120MVA、我测量的电阻分压器的输出电流、  功率是5V X 20 mA = 100MVA。  功耗非常相近。   

    此致、

    Gu

     

  • 请注意,本文内容源自机器翻译,可能存在语法或其它翻译错误,仅供参考。如需获取准确内容,请参阅链接中的英语原文或自行翻译。

    尊敬的 Gu:

    我订购了1uF 50V 铝电解电容器、一旦它在这里、我将重新测试、并告诉您结果是什么。

    1.是的,两者都应该起作用。  LP2950数据表的8.2.2.1和8.2.2.2节提供了 ESR 要求。  很遗憾、我在制造商的网站上找不到这些电容器的确切 ESR。  我建议联系制造商、询问他们是否可以提供跨频率的阻抗(Z)曲线。  如果您询问 ESR、它们可能会以特定频率提供给您、但我们希望阻抗曲线不是 ESR 曲线或特定频率的数据点。

    2.我在输入端使用了一个陶瓷电容,在输出端使用了一个陶瓷电容。  它们与您订购的电容器相同。

    3.我用了电源。  第二天左右、我将使用3节9V 电池进行测试、并报告结果。

    谢谢。

    斯蒂芬

  • 请注意,本文内容源自机器翻译,可能存在语法或其它翻译错误,仅供参考。如需获取准确内容,请参阅链接中的英语原文或自行翻译。

    尊敬的 Stephen:

    您能否使用3X9V 和2x9V 对其进行测试? 3X9V 用于3组完全充电9V (大约24-27V)、2x9V 用于1组完全放电3X9V (大约15-18V)。 该设备使用一组3X9V 可充电电池。

    此致、

    Gu

  • 请注意,本文内容源自机器翻译,可能存在语法或其它翻译错误,仅供参考。如需获取准确内容,请参阅链接中的英语原文或自行翻译。

    尊敬的 Gu:

    我用9V 电池进行了测试。  我的电池在高端上的工作电压为28.3V、在低端上的工作电压为23V。  但在我的测试中、电压值并不重要、它使 Vin 减速、这发挥了最大作用。  我将电池热 jacking 到 LDO 输入端、因为我没有带去抖电路的开关。  当输入电压进行开关或热焊时、LDO 过冲打开、直到反馈环路可以赶上。  增大 Cin 以减缓 Vin 的斜坡速率可消除该过冲。  我尝试了不同的电容值、但在高端上使用了680uF、  您可以显著降低680uF 以降低价格获得类似的结果、我仅使用了680 uF、因为这是我已经布置的东西。

    在此测试数据中、请记住每个图的不同时基。

    (Cin = 1uF 陶瓷)
    (Cout = 1uF 陶瓷)
    无负载


    (Cin = 1uF 陶瓷)
    (Cout = 1uF 陶瓷)
    100 Ω 负载
    其余的所有测试均使用100 Ω 负载来帮助对添加的电容器进行放电、并加快测试速度。


    我向 Cin 添加了一个10uF 铝电解电容器:
    (Cin = 10uF 铝电解电容器// 1uF 陶瓷电容器)
    (Cout = 1uF 陶瓷)


    将10uF 铝电解电容器添加到 Cout:
    (Cin = 1uF 陶瓷)
    (Cout = 10uF 铝电解电容// 1uF 陶瓷电容)


    向 Cout 添加680uF 铝电解电容器:
    (Cin = 1uF 陶瓷)
    (Cout = 680uF 铝电解电容器// 1uF 陶瓷电容器)


    680uF 铝电解电容器添加到 Cin:
    (Cin = 680uF 铝电解电容器// 1uF 陶瓷电容器)
    (Cout = 1uF 陶瓷)
    总共2个图、1个放大图和另一个缩小图:

    谢谢。

    斯蒂芬

  • 请注意,本文内容源自机器翻译,可能存在语法或其它翻译错误,仅供参考。如需获取准确内容,请参阅链接中的英语原文或自行翻译。

    尊敬的 Stephen:

    非常好、我会购买1uF 和2uF 陶瓷和铝电容器进行测试。  

    此致、

    Gu

  • 请注意,本文内容源自机器翻译,可能存在语法或其它翻译错误,仅供参考。如需获取准确内容,请参阅链接中的英语原文或自行翻译。

    古喜

    我想您可能需要 Cin 上具有100uF 或220uF 电容、才能查看输出电压不会过冲的最后几个图的改进。  但您需要检查您的测试设置和电容器。  如果您需要任何其他帮助、请告诉我。

    谢谢。

    斯蒂芬

  • 请注意,本文内容源自机器翻译,可能存在语法或其它翻译错误,仅供参考。如需获取准确内容,请参阅链接中的英语原文或自行翻译。

    尊敬的 Stephen:

    好的、我将 在 Cin 上包含100-200uF。

    Gu