请注意,本文内容源自机器翻译,可能存在语法或其它翻译错误,仅供参考。如需获取准确内容,请参阅链接中的英语原文或自行翻译。
器件型号:UCC28600 大家好、
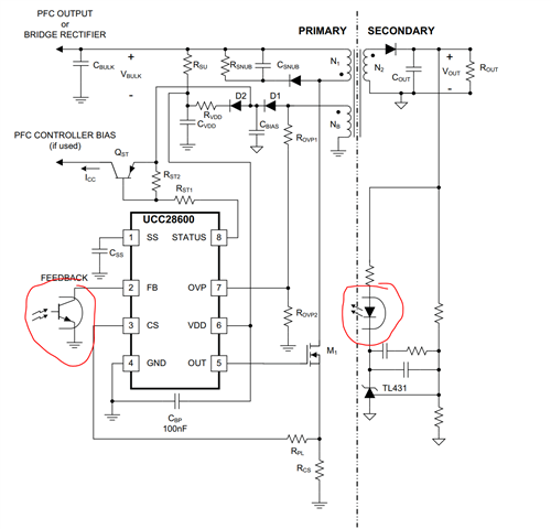
非隔离式复杂反馈是否可以与 UCC28600一起使用? 不使用光耦合器。
如果可以、您能否提供参考设计?

This thread has been locked.
If you have a related question, please click the "Ask a related question" button in the top right corner. The newly created question will be automatically linked to this question.