请注意,本文内容源自机器翻译,可能存在语法或其它翻译错误,仅供参考。如需获取准确内容,请参阅链接中的英语原文或自行翻译。
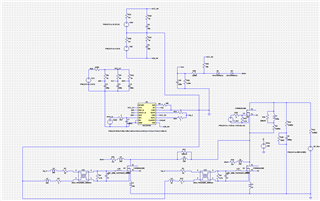
器件型号:UCC21710 我使用 UCC21710 SPICE 模型 在 LTspice 中设置双脉冲测试。 在导通瞬态期间、OC 引脚上的电压变为负值。 但是、数据表波形与 OC 引脚上的仿真(即、导通瞬态期间的负电压)不匹配。 LTSPICE 中的设置是否有任何问题(如下图所示)、或者 UCC21710模型是否需要一些修改?
粉色波形- UCC21710输入
浅蓝色- OC 引脚处的电压
红色- UCC21710的输出

