This thread has been locked.

If you have a related question, please click the "Ask a related question" button in the top right corner. The newly created question will be automatically linked to this question.

[参考译文] LM5180-Q1:PSR 反激式直流/直流转换器

Guru**** 2535150 points
Other Parts Discussed in Thread: LM5180-Q1, LM5180

请注意,本文内容源自机器翻译,可能存在语法或其它翻译错误,仅供参考。如需获取准确内容,请参阅链接中的英语原文或自行翻译。

https://e2e.ti.com/support/power-management-group/power-management/f/power-management-forum/1214357/lm5180-q1-psr-flyback-dc-dc-converter

器件型号:LM5180-Q1
主题中讨论的其他器件: LM5180

您好、专家!

我们的客户在反激式拓扑中将 lm5180q1器件用于双路输出直流/直流转换器。  他使用的元件的值与数据表示例值中的值相似。  现在他面临的问题是、 VDS 波形中存在抖动。  请告知解决方法。

提前感谢您的参与。

此致、
杰拉尔德

  • 请注意,本文内容源自机器翻译,可能存在语法或其它翻译错误,仅供参考。如需获取准确内容,请参阅链接中的英语原文或自行翻译。

    大家好、Gerald、

    您能否解释一下什么是  VDS 波形、并展示一下以便进一步检查。

    谢谢

    科林

  • 请注意,本文内容源自机器翻译,可能存在语法或其它翻译错误,仅供参考。如需获取准确内容,请参阅链接中的英语原文或自行翻译。

    尊敬的  Colin:

    我们的客户正在 使用组件 LM5180-Q1。 现在、VDS 波形中有抖动。 他在问如何解决它。
    这是我的 VDS 波形。
    他所使用的组件有一个不同之处、那就是变压器。 与元件列表上的不同。
    但匝数比是一样的。 初级电感为36uH

    请提供帮助建议。 谢谢你。

    此致、
    杰拉尔德

  • 请注意,本文内容源自机器翻译,可能存在语法或其它翻译错误,仅供参考。如需获取准确内容,请参阅链接中的英语原文或自行翻译。

    大家好、Gerald、

    从 图中可以看到  DCM 和 BCM 之间的 VDS 波形跳跃。 由于运行模式 与 下面的负载有关、 我担心您的负载是不稳定的。 您可以使用恒定电流负载再次检查 VDS 波形。

    谢谢

    科林

  • 请注意,本文内容源自机器翻译,可能存在语法或其它翻译错误,仅供参考。如需获取准确内容,请参阅链接中的英语原文或自行翻译。

    尊敬的  Colin:

    我仍然收到客户的反馈、如下所示:
    " AM 使用的负载是电子负载(恒定)... 然后、我还从这些不同的

    即使在空载条件下也出现抖动问题。 如果通过电子负载增加负载、问题仍然存在。 仍然没有针对实际负载进行测试。 希望我能立即得到你的回应,谢谢你。"

    谢谢、此致、
    杰拉尔德

  • 请注意,本文内容源自机器翻译,可能存在语法或其它翻译错误,仅供参考。如需获取准确内容,请参阅链接中的英语原文或自行翻译。

    您好、Millar!

    您能否分享原理图和布局以供进一步审阅?

    谢谢

    科林

  • 请注意,本文内容源自机器翻译,可能存在语法或其它翻译错误,仅供参考。如需获取准确内容,请参阅链接中的英语原文或自行翻译。

    尊敬的 Colin:

    我收到了客户的反馈、如下所示:
    "变压器绕组焊接在焊盘上、我将在明天分享布局... 现在还没有、抱歉

    为了进行进一步检查、稍后我添加了 RC 网络、该网络与初级侧的缓冲器电路并联、并根据您的数据表穿过整流器二极管"

    e2e.ti.com/.../7536.schematic.zip

    谢谢、此致、
    杰拉尔德

  • 请注意,本文内容源自机器翻译,可能存在语法或其它翻译错误,仅供参考。如需获取准确内容,请参阅链接中的英语原文或自行翻译。

    大家好、Gerald、

    好的、我将等待布局。

    谢谢

    科林

  • 请注意,本文内容源自机器翻译,可能存在语法或其它翻译错误,仅供参考。如需获取准确内容,请参阅链接中的英语原文或自行翻译。

    尊敬的 Colin:

    我收到了客户的回复:
    "对不起,我是上了床的。" 我的电脑遇到了一些问题、这就是原因。 我正在发送 layot 文件的 PDF。 抱歉、附上了错误的示意图。"
    e2e.ti.com/.../5807.attach.zip

    谢谢、此致、
    杰拉尔德

  • 请注意,本文内容源自机器翻译,可能存在语法或其它翻译错误,仅供参考。如需获取准确内容,请参阅链接中的英语原文或自行翻译。

    大家好、Gerald、

    明白了、我会在审阅后进行更新。

    谢谢

    科林

  • 请注意,本文内容源自机器翻译,可能存在语法或其它翻译错误,仅供参考。如需获取准确内容,请参阅链接中的英语原文或自行翻译。

    尊敬的  Colin:

    我想就我们的客户问题的状态轻轻地跟进。 我们希望再次收到您的来信。 谢谢你。

    此致、
    杰拉尔德

  • 请注意,本文内容源自机器翻译,可能存在语法或其它翻译错误,仅供参考。如需获取准确内容,请参阅链接中的英语原文或自行翻译。

    大家好、Gerald、

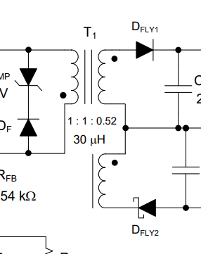
    我已经审阅了原理图、发现  与反激变压器相比、初级侧和次级侧的极点相同、您可以看到如下:

                                             

    谢谢

    科林

  • 请注意,本文内容源自机器翻译,可能存在语法或其它翻译错误,仅供参考。如需获取准确内容,请参阅链接中的英语原文或自行翻译。

    尊敬的 Colin:

    请知悉、我们收到的客户反馈如下:

    您可以看到、我们手动绕组变压器并在焊盘中进行焊接、焊盘提到 P13到 p16。。。。进行焊接时、我们注意的是焊极。 反正我的问题是通过添加机箱电容器之间的输出侧...现在我面临另一个问题.. 现有的电路包含两个转换器、每个转换器使用 lm5180…… 最初我有问题,所以只测试了一个转换器,现在它是可以的...但当我们开始测试两个转换器从同一个原始总线电源,我再次面临抖动的问题... 建议只能从同一电源线驱动一组5180。 等待您的响应。

    此致、
    杰拉尔德

  • 请注意,本文内容源自机器翻译,可能存在语法或其它翻译错误,仅供参考。如需获取准确内容,请参阅链接中的英语原文或自行翻译。

    大家好、Gerald、

    很抱歉因为假期晚了才回复。  

    通常、由 ON 输入线路供电的两个转换器没有问题。

    您能否分享原理图和布局以便进一步检查?

    谢谢

    科林