This thread has been locked.

If you have a related question, please click the "Ask a related question" button in the top right corner. The newly created question will be automatically linked to this question.

[参考译文] BQ25606:BQ25606由4节串联 AAA 电池供电、发生影响时关断或重新启动

Guru**** 2378940 points
Other Parts Discussed in Thread: BQ25606
请注意,本文内容源自机器翻译,可能存在语法或其它翻译错误,仅供参考。如需获取准确内容,请参阅链接中的英语原文或自行翻译。

https://e2e.ti.com/support/power-management-group/power-management/f/power-management-forum/1221214/bq25606-bq25606-powered-by-4-series-aaa-batteries-shut-down-or-restart-when-impact-occurs

器件型号:BQ25606

您好

使用 由4节 AA 电池供电的 BQ25606进行客户设计并进行影响测试(修复影响表上的产品并按1000N 的力进行冲击)将导致电源故障或重启。

1、规范中建议采用 USB 作为电源、但我们使用碱性电池作为电源、需要在冲击条件下使用。 这会影响芯片的输出吗?

时2 μ A、电池电量充足、但在25606开始冲击测试后、其输入电压将增加、此时很容易重启。

当电池电量下降时、25606的输入电压将低于电池电量、此时不会重新启动。

输入电压的变化是否是重启的根本原因? 如何消除这种影响?

正在等待您的回复。

谢谢

星形

  • 请注意,本文内容源自机器翻译,可能存在语法或其它翻译错误,仅供参考。如需获取准确内容,请参阅链接中的英语原文或自行翻译。

    尊敬的明星:  

    我们将对此进行深入探讨、并会与您联系。  

    此致、

    加勒特  

  • 请注意,本文内容源自机器翻译,可能存在语法或其它翻译错误,仅供参考。如需获取准确内容,请参阅链接中的英语原文或自行翻译。

    尊敬的明星:  

    我有几个问题给客户解答。

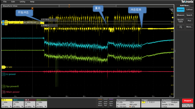
    1)首先,在标有"主功率"的波形中测量的是什么? 原理图上显示了其他3个波形标签、但我看到的主电源标签不同。

    2)您还可以帮助进一步阐明第一个和第二个波形之间的测试设置差异吗? 您说电池电量下降是指 4节 AA 电池输入吗? 这是唯一的变化吗? 在 BAT 引脚上是否连接了电池?

    3)客户监控什么以确定何时重新启动?  

    BQ25606适用于稳定的直流输入电压。  根据波形、该问题似乎与冲击测试期间输入电源电压不稳定有关、但由于输入过压阈值超过14V、因此不会期望电压过高成为原因。   

    此致、

    加勒特  

  • 请注意,本文内容源自机器翻译,可能存在语法或其它翻译错误,仅供参考。如需获取准确内容,请参阅链接中的英语原文或自行翻译。

    大家好,Garrett

    感谢您的答复。

    1、 主电源是 SYS_POWER0通过 DCDC 传输的电压、您可以忽略它、只需查看 li_vcc 和 li_power

    2、 第一个波形是在产品加载了4节新的 AA 电池后测得的、在撞击大约200次后测得的波形就像第二个波形。

    您说电池电量下降是指4节 AA 电池输入吗? -------- 可以。

    这是唯一的变化吗? -------- 可以。

    在 BAT 引脚上是否连接了电池? -------- 是、220mA 可充电锂电池。

    3、 产品将重新启动、 从启动徽标重新启动。

    BQ25606设计为在稳定的直流输入电压下工作。 根据波形、问题似乎与碰撞测试期间输入电源电压不稳定有关、但由于输入过压阈值超过14V、因此我认为电压过高不是问题的成因。 -------- 是的、我们目前正在使用4节 AA 电池为 BQ25606供电、电池的电压在浪涌期间可能不稳定。 但输入电压值是4*1.5V=6V,不会超过14V。

    但我不明白的是、上述两个波形使用4节 AA 电池为 BQ25606供电、为什么 Li_VCC 不一致? 为什么 BQ25606的输入电压超过电源电压?

    正在等待您的回复。

    谢谢

    星形

  • 请注意,本文内容源自机器翻译,可能存在语法或其它翻译错误,仅供参考。如需获取准确内容,请参阅链接中的英语原文或自行翻译。

    尊敬的明星:  

    感谢您回答我的各种问题。  

    为什么 BQ25606的输入电压超过电源电压?

    这话具体是什么意思? 在提供的波形中、Li_VCC 看起来不超过6V。  

    为什么 li_VCC 不一致?

    我的初始思想是冲击测试是输入电源电压不稳定的原因。 要查看另一种理论、客户能否在冲击测试期间捕获输入电流消耗的波形? 查看是否发生任何意外的电流尖峰会有所帮助。  

    此致、

    加勒特