This thread has been locked.

If you have a related question, please click the "Ask a related question" button in the top right corner. The newly created question will be automatically linked to this question.

[参考译文] TPS543820:原理图审阅

Guru**** 2383340 points
请注意,本文内容源自机器翻译,可能存在语法或其它翻译错误,仅供参考。如需获取准确内容,请参阅链接中的英语原文或自行翻译。

https://e2e.ti.com/support/power-management-group/power-management/f/power-management-forum/1212904/tps543820-schematics-review

器件型号:TPS543820

大家好、

我们在  原理图中使用了 TPS543820RPYR 开关部件。 我已将原理图附在下面、请查看原理图并与我们分享您的宝贵反馈。

谢谢。此

致、 - Teja
  • 请注意,本文内容源自机器翻译,可能存在语法或其它翻译错误,仅供参考。如需获取准确内容,请参阅链接中的英语原文或自行翻译。

    您好 Teja:

    关于原理图、以下是一些注释:

    1) 1)请勿将 SW1 (引脚10)和 SW2 (引脚13)连接在一起。 使用引脚10驱动电感器、使用引脚13连接至升压电路。

    2)引脚5 (AGND)不应直接连接到引脚9和11 (PGND)。 它们应仅通过 NET_TIE (R232)连接。

    3) 3)请将 C245更改为2.2uF

    4) 4)反馈网络应以 AGND 而不是 PGND 为基准。

    5) BP5电容器应 以 AGND 而不是 PGND 为基准。

    6) 6)与前馈电容器串联的无 RFF (不是必须的、但最好具有 RFF)。

    6)陶瓷输出电容不够。 负载瞬态性能并非最佳。

    7)借助这些反馈电阻器、输出将调节到大约0.752V 而不是0.8V

    请查看随附的用于本次审核的 Excel 计算器工具和原理图检查清单。

    如果此帖子能满足您的请求、请将此帖子的状态设置为已解决。

    此致、

    伊扎克·博卢里安


    e2e.ti.com/.../TPS5483320_5F00_TPS543620_5F00_TPS543820_5F00_Schematic_5F00_Layout_5F00_Checklist.pptx

    e2e.ti.com/.../TPS543320_2D00_620_2D00_820_5F00_Calculator_5F00_RevC.xlsm

  • 请注意,本文内容源自机器翻译,可能存在语法或其它翻译错误,仅供参考。如需获取准确内容,请参阅链接中的英语原文或自行翻译。

    感谢您的反馈  Yitzhak Bolurian。

  • 请注意,本文内容源自机器翻译,可能存在语法或其它翻译错误,仅供参考。如需获取准确内容,请参阅链接中的英语原文或自行翻译。

    尊敬的  Yitzhak Bolurian:

    我们已按照您的说明更新了原理图、我已将更新后的原理图图片添加到附件中、请分享您的反馈。

    有了这些反馈电阻器、输出 将变为0.8V、并通过 您共享的 Excel 计算器工具进行交叉验证。

    谢谢。此

    致、 - Teja
  • 请注意,本文内容源自机器翻译,可能存在语法或其它翻译错误,仅供参考。如需获取准确内容,请参阅链接中的英语原文或自行翻译。

    您好 Teja:

    您能否以更高的分辨率发送原理图?
    我不能读出这份好书。

    谢谢。此致、

    伊扎克

  • 请注意,本文内容源自机器翻译,可能存在语法或其它翻译错误,仅供参考。如需获取准确内容,请参阅链接中的英语原文或自行翻译。

    您好、 Yitzhak、

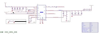
    对于给您带来的不便、请查看随附的示意图图片。 希望这对您有所帮助。

    谢谢。此致、

    - Teja.  

    /resized-image/__size/450x240/__key/communityserver-discussions-components-files/196/7848.tps.JPG

  • 请注意,本文内容源自机器翻译,可能存在语法或其它翻译错误,仅供参考。如需获取准确内容,请参阅链接中的英语原文或自行翻译。

    您好 Teja:

    原理图看起来要好得多。
    只是一个次要的,评论:

    由于您还没有添加一个与 C246串联的 RFF 电阻器、作为替代方案、您可能需要考虑将 R219和 R227的值减少2倍或以上。

    准备好后、还请向我们提供布局文件以供我们审阅。  
    如果此帖子能满足您的请求、请将此帖子的状态设置为已解决。

    此致、

    伊扎克

  • 请注意,本文内容源自机器翻译,可能存在语法或其它翻译错误,仅供参考。如需获取准确内容,请参阅链接中的英语原文或自行翻译。

    您好、 Yitzhak、

    感谢您的反馈。 我们增加了一个带有 C246的0欧姆 RFF 串联电阻器、电阻器 R219和 R227的值保持恒定。 关于布局、我已经在 E2E 上发布并获得了团队的回复。 请查找相关链接和随附的最新原理图图像。  

    https://e2e.ti.com/support/power-management-group/power-management/f/power-management-forum/1220079/tps543820-layout-review

  • 请注意,本文内容源自机器翻译,可能存在语法或其它翻译错误,仅供参考。如需获取准确内容,请参阅链接中的英语原文或自行翻译。

    您好 Desireddy:  

    这看起来不错、感谢更新。  

    对于布局、看起来 Yitzhak 已响应  

    谢谢!

    Tahar

  • 请注意,本文内容源自机器翻译,可能存在语法或其它翻译错误,仅供参考。如需获取准确内容,请参阅链接中的英语原文或自行翻译。

    尊敬的 Tahar:

    感谢您的快速响应。

    关于布局、我们有反馈。

    谢谢。此致、

    - Teja