我们在 WEBench 中使用了 UCC28881、设计了一款在3.3V/1.2A 最大电流输出下运行的隔离型反激式转换器。 输入为115V AC、可通过全桥整流器(162V 峰值直流电压)整流为直流。
下面显示了从 WEBench 生成的初始设计。 可以看到、它是非隔离式的。 变压器的主要参数是匝数比、 WEBench 返回到69:4。

为了满足这些规格、我计算得出 Ls = 12.8uH 且 LP = 3.823mH。 WEBench 工具会返回较小的值。 该电路不输出恒定的直流电压、输出从大约8V 开始、然后在大约100ms 内快速降至0V。 无论负载有多大/多小或使用了什么电感、都会发生这种情况、尽管较大的负载需要更长的时间才能使输出电压降至0V。
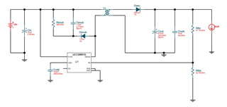
我们随后对其进行了修改、使其具有反馈环路、并使用光耦合器隔离输出。 该设计显示在随附的 PSpice 文件中。
我们希望输出电压调节至3.3V、电流会随负载电阻的变化而变化。 相应的 PSpice 结果未显示此情况。 它们显示输出电压始终在大约100ms 内降至0V。
我不明白我们在做什么错。 我们从未通过 WEBench 生成过错误设计、但在这种情况下、生成的设计不正确。 我们如何修改具有光耦合器反馈的设计?
