This thread has been locked.

If you have a related question, please click the "Ask a related question" button in the top right corner. The newly created question will be automatically linked to this question.

[参考译文] BQ24292I:在恒流充电(CC 模式)下充电电流没有像默认值(1.024A)那样高

Guru**** 2502205 points
Other Parts Discussed in Thread: BQ24292I

请注意,本文内容源自机器翻译,可能存在语法或其它翻译错误,仅供参考。如需获取准确内容,请参阅链接中的英语原文或自行翻译。

https://e2e.ti.com/support/power-management-group/power-management/f/power-management-forum/1204777/bq24292i-charging-current-is-not-getting-as-like-default-value-1-024a-in-constant-current-charging-cc-mode

器件型号:BQ24292I

尊敬的 TI 团队:

我正在测试基于 BQ24292i 的电池充电器、在空载和无电池情况下获得以下结果。

当 CE/引脚不接地时我获得了系统输出 电压:3.75伏

当 CE/引脚接地条件下获得系统输出电压: 4.1伏

我还得到、当 CE/引脚处于非接地 状态时的电池输出电压: 0伏

我还得到、CE/引脚接地时的电池输出电压: 4.08伏

在空载和无电池的条件下、这些输出电压是否正确?

在系统输出空载时,我在开发的 BQ24292i 充 电器中使用电池模拟器(凯思利电子负载处于 CV 模式),用不同的电池充电模式(涓流充电模式、预充电模式、恒流充电模式)测试了电池充电器,在部分测试时间获得了预充电(默认值: 256mA 和涓流充电模式( 100mA )输出。

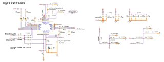
此外、在恒定电流充电模式的测试中、 电池 在默认(1.024A)值上未充电。 CC 模式(从2.8V 至4V)下的充电电流值不同、其 在3V 时为710mA、在3.5V 电池电压下为450mA 等。  原理图供您参考。 请回复我们、以帮助我们解决 CC 模式下所述各种充电电流的问题。

此致、

拉菲

  • 请注意,本文内容源自机器翻译,可能存在语法或其它翻译错误,仅供参考。如需获取准确内容,请参阅链接中的英语原文或自行翻译。

    尊敬的 Rafi:  

    是的、BAT 和 SYS 电压与您所描述条件的预期行为相匹配。  

    快速充电电流可能受到 ILIM 引脚电阻或所用输入电源额定功率等因素的限制。 为了帮助进行调试、您可以提供从 IC 读取的寄存器、同时尝试在恒流模式下充电、以及您观察到的输入电压、电池电压和充电电流。  

    此致、

    加勒特

  • 请注意,本文内容源自机器翻译,可能存在语法或其它翻译错误,仅供参考。如需获取准确内容,请参阅链接中的英语原文或自行翻译。

    您好、Grette、

    我使用了15V、2A 的输入电源额定值和220欧姆的 ILIM 电阻值(只更改了上面随附原理图中的部分)。 因此、由于220欧姆、ILIM 电流限制=(500/220)=2.2A。 充电电流的默认值为1.024A。 那么、上述电流设置是否足以支持电池充电器的默认工作模式? 如果当前的设置可能需要更改、请回复我们?

    此致、

    拉菲

  • 请注意,本文内容源自机器翻译,可能存在语法或其它翻译错误,仅供参考。如需获取准确内容,请参阅链接中的英语原文或自行翻译。

    尊敬的 Rafi:  

    感谢您提供输入电源的额定功率以及对原理图中 ILIM 电阻器部分的更新。  

    将 ILIM 引脚配置为约2.2A 的电流限制是正确的。 要进一步调试快速充电电流的限制、请在 以恒流模式和测试条件充电时帮助提供从 IC 读取的寄存器。  

    此致、

    加勒特

  • 请注意,本文内容源自机器翻译,可能存在语法或其它翻译错误,仅供参考。如需获取准确内容,请参阅链接中的英语原文或自行翻译。

    大家好、Garret、

    我随附了基于 BQ24292i 的电池充电器的测试结果文档、我在恒流充电区域获得了不同的充电电流。 因此、请评估结果并根据需要建议适当的更改以修改电池充电器的工作方式。

    我们仅要求电池充电器以默认模式运行。 因此、 在没有 I2C 读取的情况下是否无法更正默认模式下的操作? 请尽快回复。

    e2e.ti.com/.../BQ24292i-Test-doc.pdf

    此致、

    拉菲

  • 请注意,本文内容源自机器翻译,可能存在语法或其它翻译错误,仅供参考。如需获取准确内容,请参阅链接中的英语原文或自行翻译。

    尊敬的 Rafi:  

    感谢您提供测试结果文档。 我知道您是打算使用具有默认 I2C 设置的 BQ24292I。 在默认模式下运行电池充电器应该没有问题。 不过、如果您可以、提供状态寄存器的 I2C 读取将有助于调试充电电流低于预期的原因。  

    通过测试设置、我得出了一个理论、即您所使用的长导线较小、可能是您观察到充电电流低于2A 默认值的原因。  

    1)您可以使用万用表测量接近 BAT 引脚的电池电压、而不是提供电池仿真器电压? 较小的线规可能会导致 PCB 和 Keithley 之间出现显著的 IR 压降。

    2)您是否可以使用更粗的导线和在 PCB 上测得的电池电压重复恒流模式充电测试、然后查看结果是否发生变化?  

    此致、

    加勒特