请注意,本文内容源自机器翻译,可能存在语法或其它翻译错误,仅供参考。如需获取准确内容,请参阅链接中的英语原文或自行翻译。
器件型号:TPS62A01 大家好、
您能帮助我了解 PG 在此器件中的工作原理吗?
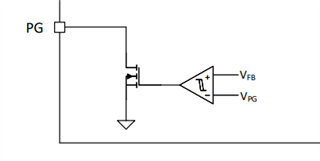
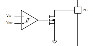
通常、我希望内部比较器比较反馈电压和电源正常基准电压、但根据方框图、反馈电压与 VPG 进行了比较。

我的理解是、这应该是下面的示意图、 我 在这里犯了什么错误吗?

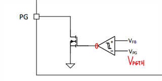
此外、在下面添加一些注释、因为数据表看起来有点混乱:

EC 将基准电压标记为 VFB、但 这应通过第8页的图8-1来指代 Vref。
此致