请注意,本文内容源自机器翻译,可能存在语法或其它翻译错误,仅供参考。如需获取准确内容,请参阅链接中的英语原文或自行翻译。
器件型号:LM5143A-Q1 Thread 中讨论的其他器件:LM5143
工具与软件:
您好、TI 专家
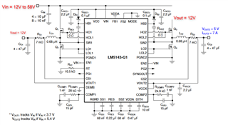
我想在下图所示的以下模式下使用 LM5143、 LM5143在此配置中会不会支持该功能。
摘要:1相将产生12V 输出、作为图中第二相的12V 输入作为 Q3。

此致
Raheesh
This thread has been locked.
If you have a related question, please click the "Ask a related question" button in the top right corner. The newly created question will be automatically linked to this question.
工具与软件:
您好、TI 专家
我想在下图所示的以下模式下使用 LM5143、 LM5143在此配置中会不会支持该功能。
摘要:1相将产生12V 输出、作为图中第二相的12V 输入作为 Q3。

此致
Raheesh