This thread has been locked.

If you have a related question, please click the "Ask a related question" button in the top right corner. The newly created question will be automatically linked to this question.

[参考译文] LM7480:设计审查

Guru**** 2538010 points


请注意,本文内容源自机器翻译,可能存在语法或其它翻译错误,仅供参考。如需获取准确内容,请参阅链接中的英语原文或自行翻译。

https://e2e.ti.com/support/power-management-group/power-management/f/power-management-forum/1399317/lm7480-design-review

器件型号:LM7480

工具与软件:

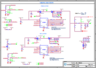
在我们的设计中、我们将 LM74800QDRR 用于 ORing 部分。

敬请查看设计并分享您的评论。

/resized-image/__size/320x240/__key/communityserver-discussions-components-files/196/pastedimage1723475129160v1.png

  • 请注意,本文内容源自机器翻译,可能存在语法或其它翻译错误,仅供参考。如需获取准确内容,请参阅链接中的英语原文或自行翻译。

    尊敬的 Aditi:

    图像不清晰。 您能再分享一下吗?

    此致、

    Shiven Dhir