请注意,本文内容源自机器翻译,可能存在语法或其它翻译错误,仅供参考。如需获取准确内容,请参阅链接中的英语原文或自行翻译。
器件型号:TPS3840 工具与软件:
尊敬的支持者:
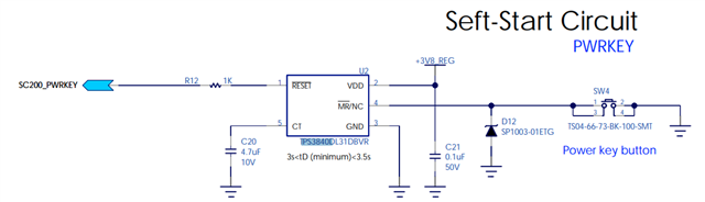
最近、我使用 TPS3840 IC 实现了约3s 的延迟复位。 我注意到、当我长时间使用器件、拔下电源、复位的延迟时间会大幅缩短。 此问题对我的应用程序有影响(需要>1.6s、有时设备不工作)。 我注意到数据表中可能提到了这个问题。

您能帮我解决这个问题吗?
This thread has been locked.
If you have a related question, please click the "Ask a related question" button in the top right corner. The newly created question will be automatically linked to this question.
尊敬的 Phan:
感谢您的提问! 4.7uF 电容器应该良好。 根据数据表 、最大电容限制为10uF。
在上面的原理图中、看起来您已将 R12 1k 连接到 MCU。 但是、对于开漏输出型号、正确的复位连接如下面的所示。

您能否告诉我、在正确的重置配置下、您是否仍然遇到此问题? 在将复位输出连接到上拉电压时、请确保 Ireset 处于建议的状态。
希望此帮助!
此致!
Sila.