This thread has been locked.

If you have a related question, please click the "Ask a related question" button in the top right corner. The newly created question will be automatically linked to this question.

[参考译文] TPS552872:设计验证帮助

Guru**** 2502205 points
Other Parts Discussed in Thread: TPS552872

请注意,本文内容源自机器翻译,可能存在语法或其它翻译错误,仅供参考。如需获取准确内容,请参阅链接中的英语原文或自行翻译。

https://e2e.ti.com/support/power-management-group/power-management/f/power-management-forum/1421068/tps552872-design-validation-help

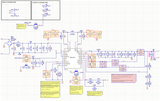
器件型号:TPS552872

工具与软件:

你(们)好、

我正在寻找使用 TPS552872的设计进行部分验证。 以下是我的设计标准:

  • VIN = 9VAC (最小值)至18VAC (最大值)、60Hz
    • 整流为全桥
  • VOUT = 18.75V
  • Iout =~0.6A
  • Pout = 10W
  • fsw = 400kHz
  • COUT = 150uF 大容量(EEH-ZK1E151XP)
  • Cin =~2x270uF 批量(未决定 P/N)

能否请您检查我当前的设计并告知我是否有任何特别错误? 我对 COMP 值尤其不确定。

谢谢!

  • 请注意,本文内容源自机器翻译,可能存在语法或其它翻译错误,仅供参考。如需获取准确内容,请参阅链接中的英语原文或自行翻译。

    你好、Jake、

    此设备的专家将在下周三之前离开办公室。 希望从技术角度回答可以。

    此致、
    Brigitte

  • 请注意,本文内容源自机器翻译,可能存在语法或其它翻译错误,仅供参考。如需获取准确内容,请参阅链接中的英语原文或自行翻译。

    你好、Jake、

    感谢您联系我们。 我可以知道这里的应用是什么吗?

    您能帮助说明一下 Vin 网络中的直流电压范围是多少?

    您能否提供 C18-C20的器件型号? 需要有效电容才能进行环路计算。

    什么是电感器的饱和电流?

    此致、

    Mulin

  • 请注意,本文内容源自机器翻译,可能存在语法或其它翻译错误,仅供参考。如需获取准确内容,请参阅链接中的英语原文或自行翻译。

    你(们)好-  

    这将用作10W LED 驱动器的电源。

    由于 Vin 是整流交流输入、因此标称电压应为~14-21V、而纹波电压为~7V。

    我计划将  GRM188R61E106KA3J 用于 C18-C20 -理想情况下、我还想移除/整合输入电压和输出电压陶瓷电容器-还是不建议这样做?

    L2 (XAL1060-472MEC)的饱和电流为25A

    谢谢!

  • 请注意,本文内容源自机器翻译,可能存在语法或其它翻译错误,仅供参考。如需获取准确内容,请参阅链接中的英语原文或自行翻译。

    你好、杰克、

    我想知道交流输入的来源、因为它通常是110VAC? 是变压器吗?

    关于原理图:

    1.建议保留陶瓷电容器有两个原因:减少电压纹波和降低寄生参数。

    2.确保 C11具有2uF 的有效电容(具有5.2V 直流偏置)。

    建议将 C12设置为10nF 以获得更好的抖动效果。

    4. L2的饱和电流过大。 在 TPS552872中、建议使用 Isat>4A 的 电感器以节省尺寸和成本。 它还有助于提高布局和 EMI 性能。

    您能否提供 C22的器件型号?

    此致、

    Mulin

  • 请注意,本文内容源自机器翻译,可能存在语法或其它翻译错误,仅供参考。如需获取准确内容,请参阅链接中的英语原文或自行翻译。

    尊敬的 Mulin:

    是的、交流输入来自低压变压器。

    感谢您提供的投入。 我已将 C12从100nF 降低到10nF、并将 L2更 改为数据表中推荐的电感器  XEL6060-472MEC。 我检查了 C11、它是10V 4.7uF X7R、因此降额电容高于5.2V。

    C22为 EEH-ZK1E151XP。

  • 请注意,本文内容源自机器翻译,可能存在语法或其它翻译错误,仅供参考。如需获取准确内容,请参阅链接中的英语原文或自行翻译。

    你好、杰克、

    1.建议在 VCC 引脚中使用额定电压为16V 的电容器、以确保具有足够的有效电容。

    2.建议的补偿参数:R13=30k Ω;C13=6.8nF;C14=150pF。

    请注意、10uF 电容器在18V 直流偏置下的有效电容仅为1uF。 建议更换一个具有更好的直流降额性能的稳压器。

    此致、

    Mulin