工具与软件:
尊敬的团队
我们目前正在开发机器人伺服夹具。
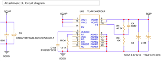
控制器尺寸很小、因此我们使用您的 TLVM13640从 DC24V 输入输出5V。
电路使用"TI WEBENCH 电源设计"提供的电路。 只有输入电容器使用100uF 的电解电容器。
问题:5V 输出在5V +-0.8V 之间波动、周期为4us (250kHz)。
处理:即使 Vout (5V)连接到 VLDOIN、也没有变化。
其他:5V 与 GND 之间的电阻为700欧姆、24V 输入电流为0.14A、当触摸时温度大幅上升。
附件:
1. TI WEBENCH 电源设计
2.5V 输出波形、24V 输入电流波形(50mA /单位)
3.电路图
4.艺术作品
如果有任何预期原因、请告诉我。
谢谢你。



