工具与软件:
您好:
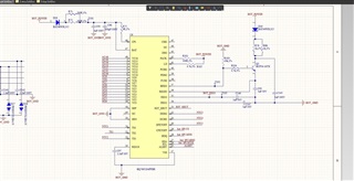
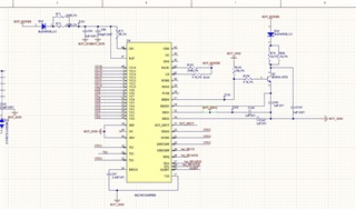
这是客户使用的 TI 芯片 BQ7695204PFBR 的推荐电路图。 当前正在使用 SPI 通信、但返回的数据始终不正确。 无法建立通信、它不断回复数据0xFFFFFF。 无论是写入直接命令还是子命令、都没有数据。

我觉得波形也不错

返回的数据始终为0xFFFFFF。 如果您知道这种情况、请告诉我

This thread has been locked.
If you have a related question, please click the "Ask a related question" button in the top right corner. The newly created question will be automatically linked to this question.
工具与软件:
您好:
这是客户使用的 TI 芯片 BQ7695204PFBR 的推荐电路图。 当前正在使用 SPI 通信、但返回的数据始终不正确。 无法建立通信、它不断回复数据0xFFFFFF。 无论是写入直接命令还是子命令、都没有数据。

我觉得波形也不错

返回的数据始终为0xFFFFFF。 如果您知道这种情况、请告诉我

您好、Alexis:
下图示波器捕获的波形与逻辑分析仪的波形相同。 此外、客户还使用 SPI 环回模式测试了 SPI 通信、该模式可以发送数据。μ DMA
1 μ s、、我怀疑 TI 芯片每次使用时都需要唤醒引脚 TS2才能使用它?
2、此外、我是否可以问是否通过 SPI 通信和 CRC8来验证 BQ7695204芯片的默认通信?
、Ω 此外、客户当前还提供一个串联电阻来模拟电池电芯的电压、每个电压为1.5V。 电池单元电压是否过低、导致其在通电后进入睡眠状态? 谢谢你

你好、Jimmy、
1.如果器件处于 SHUTDOWN 模式、则需要通过 TS2引脚唤醒器件、然后才能与它通信。
SPI 通信具有可选的8位 CRC 校验。 如果是 CRC、接口必须使用16位事务 未启用 启用 CRC 后、必须使用24位事务。 对此进行了进一步讨论 第9.3节 SPI 通信接口 找到此培训系列的所有内容。 软件开发指南中显示了将 SPI 与 CRC 配合使用的图像。
3、睡眠模式取决于电流,当检测到低电流时就会进入睡眠模式。 您的电压应该可以很好地模拟电池仿真器。 第13节:器件功能模式 BQ76952数据表中的 有助于显示其进入/退出的不同模式。 第7.3节睡眠模式 中介绍了有关睡眠模式的更多信息。
您是否仍可以向我们发送逻辑分析仪文件?
此致、
Alexis
您好、Alexis:
1.此器件应被唤醒、因为 REG18已输出1.8V 电压。 此外、BOT-REG1的输出为3.3V、TS2为低电平、因此感觉就像器件已被唤醒。 LD 直接连接到电源、
2.是否针对此问题将 BQ7695204默认为 SPI 通信? 复位和关断模式是否会自动切换到 IIC 通信? 或者它是否会在复位和关闭后自动恢复到 SPI 模式?

3.此芯片的默认芯片选择信号是 CFETOFF 吗? HDQ 是否为默认的 MOSI 信号? SDA 是否默认为 MISO、而 SCL 默认为 SCLK? 这些多路复用引脚在使用前是否需要进行配置。
4.您能确认我们硬件电路图的连接没有问题吗?



5.您能否确认是否存在硬件问题或软件问题。
6.能否向我提供专为此芯片设计的 SPI 通信程序? 从官方网站下载的例行程序与此芯片无关。


7.程序初始化中是否存在配置错误? 不应错误地配置相位和波特率。
我们还没有逻辑分析仪。 让我们稍后购买一个、以便对其进行测试、看看它返回的时钟是否为0xFFFFFF。
9.能否确认 BQ7695204芯片必须进行 SPI 通信、无论是初始化、复位还是关断? 最后、您能否确认是硬件问题还是软件问题。
10.是否有检测方法可以通过检测器件引脚上的电压来确定器件是处于正常模式并可以正常通信、还是处于睡眠或关断模式。
11.我们还没有逻辑分析仪器的波形,我们正在购买它。 此外、如果未选择器件的 CS 信号、它是否会继续返回0xFFFFFF
你好、Jimmy、
1.可以检查0x12 Battery Status ()[SLEEP]位以确认器件是否处于 SLEEP 模式吗?
此外、器件也有可能进入软关断状态、尤其是在关断序列启动并且 TS2引脚保持低电平或 LD 引脚保持高电平时。 此 软关断常见问题解答 和 关断模式常见问题解答 在实际应用中可能很有用。
2.对于您的器件版本 BQ7695204、默认通信接口为 SPI、如所示 第5节"器件比较表" 数据表中找到。 因此、复位和关断模式不应将器件切换到 I2C 通信、除非您对器件进行 OTP 以其他方式操作或手动切换。
3.对于 BQ7695204版本、CFETOFF 和 HDQ 也应默认为 SPI CS 和 SPI MOSI。
4、硬件电路图总体上看还可以。 需要指出的几点:a) TS2引脚实际上并不需要与 REG1进行外部连接、因为当该器件关闭时、REG1也会关闭。 B) LD 和 PACK 引脚电阻器看起来很小。 值越小、引脚就越弱于 ESD。 我们通常建议使用~Ω 10kOhm 电阻。
5.从外观上看,这可能更多的是一个软件问题。 如 TRM 和数据表中所述、"如果主机使用 CRC 执行写入操作且 CRC 不正确、传入数据不会传输到传入缓冲区、发送缓冲区(用于下一个事务)也会复位为0xFFFFFFFFF" 另一种可能是当主机启动事务时、器件的内部振荡器可能无法运行。 如果器件处于睡眠模式、则可能会发生这种情况、并导致 SPI_MISO 接口在时钟沿输出前16位时输出0xFFFF。 如需更多有关这方面的信息、请参阅 第14.3.1节 SPI 协议 和中的规格 第9.3节 SPI 通信接口 曲线。
6.我不确定这个问题是什么意思。 第5节 SPI 及 CRC 示例 在中、 BQ769x2软件开发指南 提供了正确使用具有 CRC 的 SPI 的示例、TRM 和数据表中前面提到的章节应提供更多有关协议和接口的信息。
7.程序初始化过程中不应出现任何配置错误、除非用户错误地更改了某些内容。
8.请执行。 这可以帮助我们提供有关通信是否正确的更多信息。
9、这已在上文中作了答复。
10.如果器件处于关断模式、REG18引脚将输出0V、否则 REG18 LDO 将输出1.8V。 如上所述、0x12 Battery Status ()[SLEEP]位将告诉您器件当前是否处于 SLEEP 模式。
11、您能解释一下设备的 CS 信号没有被选中是什么意思吗?
此致、
Alexis