主题中讨论的其他器件: UCC28C41
工具与软件:
尊敬的专家:
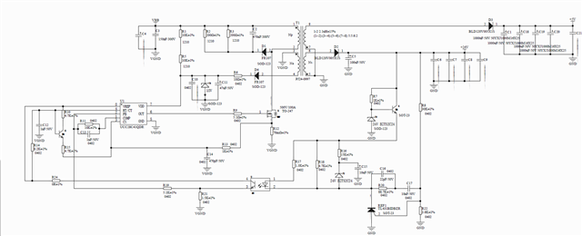
目前我们需要设计一个宽输入电压、双通道输出的电源、输入20-200V、输出24V/5A 和5V/5A。 以下是我们基于 UCC28C41-Q1的设计的原理图。 我们有一些问题希望得到解答。 谢谢你
1.请问 UCC28C41是否适合这个应用? 您能帮助我检查一下设计是否合理吗?
2.在正常情况下,反馈应该放在哪个输出上? 如何使用辅助绕组设计更好的反馈系统?

非常感谢。
This thread has been locked.
If you have a related question, please click the "Ask a related question" button in the top right corner. The newly created question will be automatically linked to this question.
工具与软件:
尊敬的专家:
目前我们需要设计一个宽输入电压、双通道输出的电源、输入20-200V、输出24V/5A 和5V/5A。 以下是我们基于 UCC28C41-Q1的设计的原理图。 我们有一些问题希望得到解答。 谢谢你
1.请问 UCC28C41是否适合这个应用? 您能帮助我检查一下设计是否合理吗?
2.在正常情况下,反馈应该放在哪个输出上? 如何使用辅助绕组设计更好的反馈系统?

非常感谢。
您好!
1.
UCC28C41可以使用。
总功率= 24V x 5A + 5V x 5A = 145W、看来驱动器高达1A 需要关注驱动能力。 根据 MOSFET 在 DCM 或 CCM 下的选择和运行情况、您需要检查驱动能力是否正常。
VIN = 20V 至200V、因此您需要检查占空比以及变压器 NPS 对于此宽输入电压范围和宽负载范围是否适合、因为 UCC28C41的最大占空比为50%。
2.
经验法则是在您的情况下、使用具有较高功率的输出来提供反馈、但如果输出为5V 5A 来保持这种状态、则您应该使用此输出来提供反馈、即、对反馈使用变化较小的电流输出。
对于辅助绕组反馈、它基本上是一种变压器设计、因为次级侧输出都是交叉调节的、因此它们的调节通常比较宽松、如果您可以接受超过10%的调节容差、则可以使用。