This thread has been locked.

If you have a related question, please click the "Ask a related question" button in the top right corner. The newly created question will be automatically linked to this question.

[参考译文] LM317:使用两个并联的 LM317或 LM338稳压器增大电流。

Guru**** 2590800 points
Other Parts Discussed in Thread: LM317, LM338

请注意,本文内容源自机器翻译,可能存在语法或其它翻译错误,仅供参考。如需获取准确内容,请参阅链接中的英语原文或自行翻译。

https://e2e.ti.com/support/power-management-group/power-management/f/power-management-forum/1462277/lm317-increasing-current-with-two-lm317-or-lm338-regulators-in-parallel

器件型号:LM317
Thread 中讨论的其他器件: LM338

工具与软件:

您好!

我有一个与可调线性稳压器 LM317和/或 LM338相关的问题。 我购买了这两个元件来构建恒流源。 我的想法是创建一个源、该源在0~10Ω 的负载下保持恒定电流1.5~2A

我将一个电路的短路电流限制为大约1.5A、但当电阻值达到6Ω 左右时、电流值开始下降。 我将两个稳压器并联放置、但它们的输出电流未相加;它们似乎被划分。

我想知道是否可以增加电流。 我执行了 SPICE 仿真、并且根据仿真、应将电流相加。 我还构建了一些电路、如这两个组件的数据表中所示、但电流与一个稳压器相同、即使使用了两个稳压器也是如此。

BR、

Felipe。

  • 请注意,本文内容源自机器翻译,可能存在语法或其它翻译错误,仅供参考。如需获取准确内容,请参阅链接中的英语原文或自行翻译。

    尊敬的 Felipe:

    您能否提供原理图?  我们将不同的 LDO 作为恒流源并联放置、并按预期对其求和。  我预计这些线性稳压器会得到相同的结果。 您可能需要检查线性稳压器是否进入压降状态(与现代 LDO 不同、这些器件需要3V 的稳压余量)。

    谢谢!

    Stephen

  • 请注意,本文内容源自机器翻译,可能存在语法或其它翻译错误,仅供参考。如需获取准确内容,请参阅链接中的英语原文或自行翻译。

    您好、Stephen!

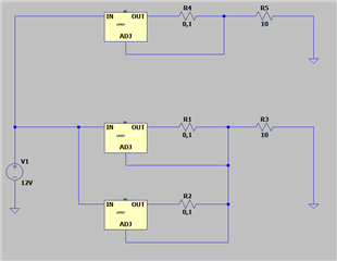
    在实际中组装的电路使用两个并联的 LM317 (U1和 U2)。 可以观察到、在仿真中、电流也不会求和、从而产生大约840mA 的一个稳压器和970mA 的两个稳压器。 如果使用两个稳压器、则此配置下至少预期为1.6A。 我曾尝试使用数据表中的其他拓扑进行组装、但也没成功。

    BR、

    Felipe。

  • 请注意,本文内容源自机器翻译,可能存在语法或其它翻译错误,仅供参考。如需获取准确内容,请参阅链接中的英语原文或自行翻译。

    尊敬的 Felipe:

    在此仿真中、负载为10欧姆、线性稳压器将以某个值(Vin - Vout)进入压降状态。 您需要将 R1和 R2分别增加到1.2欧姆、以便为负载提供1A 电流。  在本例中、负载将尝试为20V、但您的输入电压不足以支持该值。  合理地说、输出上只有7.8V、因为该线性稳压器需要3V 的余量(最小值)才能运行、并且 R1或 R2上的电压将会下降1.2V (当增加到1.2欧姆以提供1A 时)。  电流小于1A、因此您可以看到970mA (包括 R1和 R2上的压降)。

    谢谢!

    Stephen