请注意,本文内容源自机器翻译,可能存在语法或其它翻译错误,仅供参考。如需获取准确内容,请参阅链接中的英语原文或自行翻译。
器件型号:BQ25820 工具与软件:
您好!
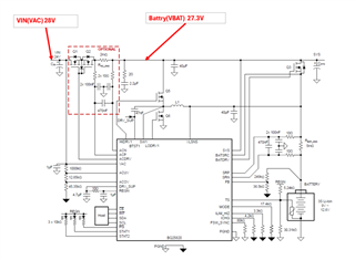
当我将 VIN 从28V (插件)更改为 OFF (拔下)时、附件中显示的波形会出现、ACDRV 不会关闭。
电池电压(SYS)出现在 VIN 侧。
VAC、ACUV 和 AC0V 电阻设置是否存在问题?
或者寄存器中是否有设置?
如何关闭 VIN 侧(VAC)?
是因为 VAC 和 SYS 之间的电势差较小?



This thread has been locked.
If you have a related question, please click the "Ask a related question" button in the top right corner. The newly created question will be automatically linked to this question.
您好、Takayuki、
我建议遵循我们的 BQ25820原理图检查清单:https://e2e.ti.com/support/power-management-group/power-management/f/power-management-forum/1397113/faq-bq25820evm-bq25820-schematic-and-layout-checklist
我发现缺少大容量输入电容、我建议添加这些元件和任何其他必需元件。
此致、
Christian。