请注意,本文内容源自机器翻译,可能存在语法或其它翻译错误,仅供参考。如需获取准确内容,请参阅链接中的英语原文或自行翻译。
器件型号:TPS6286A06 工具与软件:
您好、
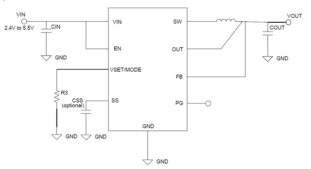
根据数据表中 VSET/MODE 引脚的定义、要输出0.5V、您需要通过18.7kΩ 电阻将该引脚拉至接地。 启动后、如果要将其设置为强制 PWM 模式、需要将此引脚上拉至高电平。


如果通过电阻器将此引脚直接连接到 Vin、则会违反数据表中规定的限制:在 R2D 转换期间、确保额外的漏电流路径小于20nA、且从此引脚到 GND 的电容小于30pF。

为了完成我的设计、我是否需要设计一个额外的电路来在下拉和上拉状态之间切换 VSET/MODE 引脚? 或者我是否误解了数据表中的说明、可以直接将此引脚连接到 Vin?
此致、
Theo Wang