工具与软件:
尊敬的团队:
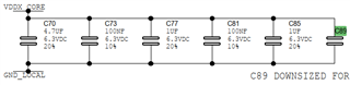
我们将在我们的一个 OSM-S 设计中使用 AM6442、由于空间限制、我们想将以绿色突出显示的电容器从0402减小到0201。

目前使用的电容器是 MPN: GRM155C80J475MEAAD (4.7 µF±20% 6.3V 陶瓷电容器 X6S 0402 (公制1005))。
请 TI 向我们推荐适合用0201封装尺寸电容器突出显示的绿色的电容器。
我们迫切希望将这4种绿色突出显示的电容器的尺寸从0402封装减小到0201封装。
注意:
1) V_1V8_MCU 提供给 AM6442的 VDDA_MCU (K12)。
2) V_1V8_ADC 提供给 AM6442的 VDDA_ADC (J13)。
3) V_1V8_USB0提供给 AM6442的 VDDA_1P8_USB0 (R15)。
4) V_1V8_SERDES0提供给 AM6442的 VDDA_1P8_SERDES0 (R14)。
请提供您的想法。
谢谢你。
此致
Amarnath G.


