This thread has been locked.

If you have a related question, please click the "Ask a related question" button in the top right corner. The newly created question will be automatically linked to this question.

[参考译文] Linux/AM5728:GP EVM 上的 USB 测试模式

Guru**** 2611705 points
Other Parts Discussed in Thread: TMDSEVM572X, TUSB8041

请注意,本文内容源自机器翻译,可能存在语法或其它翻译错误,仅供参考。如需获取准确内容,请参阅链接中的英语原文或自行翻译。

https://e2e.ti.com/support/processors-group/processors/f/processors-forum/582063/linux-am5728-usb-test-pattern-on-gp-evm

器件型号:AM5728
主题中讨论的其他器件:TUSB8041TMDSEVM572X

工具/软件:Linux

尊敬的 TI 团队:
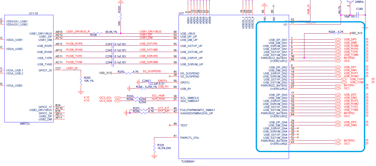
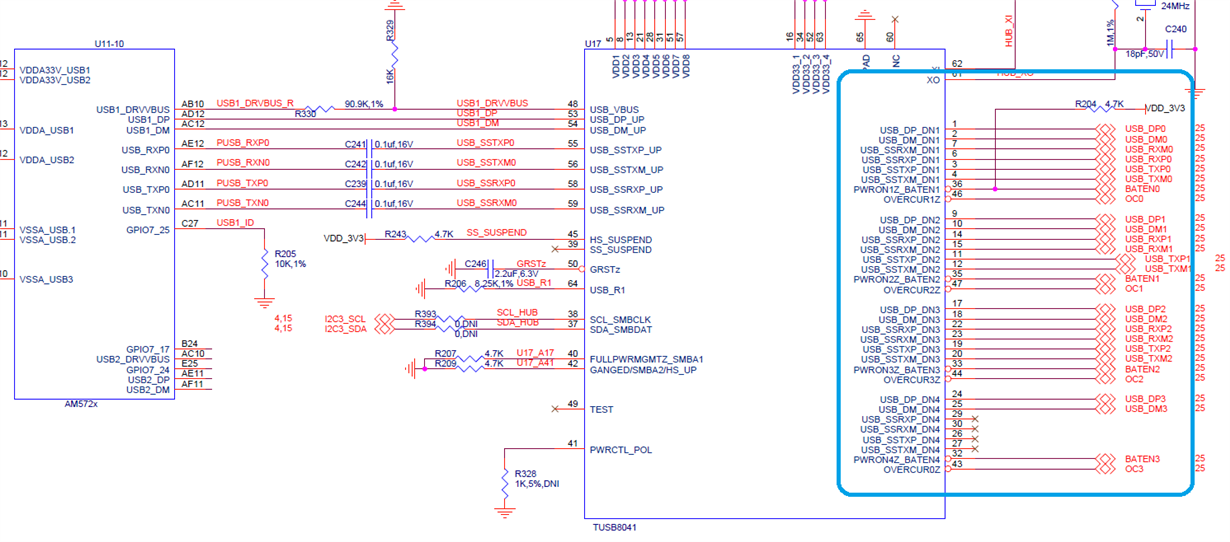
如何从 TMDSEVM572X 上的 TUSB8041 (U17)生成 USB 2.0/3.0测试图形?

许志光。