客户在生产中遇到产品问题。 请提供有关调试给定时钟输入电路的想法和建议:
我有一个器件重置频率很低、并且(我看到另外2个器件)。 我已将其缩小到控制我们的复位的 CPLD、然后发现它仍然复位、而 DSP 正在将(RSTOUT)驱动为低电平(网络 DSP_RSTOUT_L)。 这是因为我们的晶体输入 Y4 (27MHz)下降(27MHz 接地)。 我在 Crystal 输出和 DSP 复位输出上用了一个示波器来确认了这一点。 晶振输出死机(变为0)、DSP 检测到它并将 DSP 输出复位驱动为0。 这将关闭我们的系统。 当 CPLD 退出时发生的 DSP 复位时、我们的终端(RS-233)将停止。 这恰好与热相关。 如果我让系统冷却、它将工作更长时间、然后重置(分钟)。 如果热、它将重新启动并在启动后10至15秒复位。
DSP 数据表显示、DSP 复位可根据坏的晶振输入进行驱动。 这就是我们找到它的方式。 请参阅数据表片段:
我将晶体更改为新晶体、它在室温下工作。 在室中温度为40°C 时失败。
然后、我想确认2个电容器(18pf)是否正常并更换它们。 自过热(40C 至50C)以来、它未发生故障。 然后斜升至70C。
我现在移除了一个电容 C506、以查看电容是否开路、温度下是否有不良焊接。
当我用探头接地来探测这些电容器时、它会影响振幅。 我还移除了接地、振幅也不同。 我用2个探头探测电容器的两侧、发现相位几乎为180度、但并不精确。
我测量了原始电容器、使用 我的手持仪表测量了17到18pf。
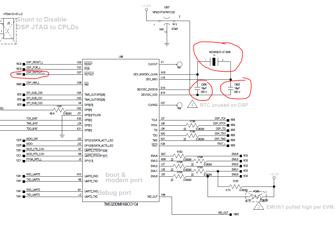
我们的电路:
晶体为27MHz。 Saronix NES6NED1-27.0000-18。 18pf 负载电容。
电容器为18pf 2%电容器。 ATC 制造商。 600l180-GT200。
有关晶振 specs.e2e.ti.com/.../SARONIX_5F00_NES6NED1_2D00_27_5F00_0000.pdf、请参见随附的

